珀金斯柴油發動機維修保養配件400C
曲軸,活塞與連接棒(ppl053906)
項目 零件號 數量 描述
115256990曲軸1裝配115256990曲軸1
115256990曲軸1裝配115256990曲軸1
199266210 1 199266210推力墊圈
199266200 1 199266200推力墊圈
199266200 1 199266200推力墊圈
110156360號1號110156360持有人
13 2314j011 1 2314j011螺釘
011511070、1螺桿011511070 13
110156370號1號110156370持有人
19 2314j011 1 2314j011螺釘
011511070、1螺桿011511070 19
110156380號1號110156380持有人
25 2314j011 1 2314j011螺釘
011511070、1螺桿011511070 25
110156390號1號110156390
010700860號2號010700860螺栓
32 u5mb0025 1 u5mb0025主軸承盒
(32)u5mb0025a 1 u5mb0025a主軸承盒
33 u5me0030 1 u5me0030大頭軸承盒
(33)u5me0030a 1 u5me0030a大頭BRG盒U / S

項目 零件號 數量 描述
1曲軸總成2
3 u15276270 1 u15276270曲軸齒輪
030509020、1、030509020鍵4
16 115276270 1 u15276270曲軸齒輪

項目 零件號 數量 描述
115017581活塞4活塞環套件
(1)115017715 4 115017715活塞環套件- O / S超過0.25
115026330號4桿115026330連桿總成
10 115326220 4 115326220活塞銷
11 036500028 4 036500028卡簧
12 036500028 4 036500028卡簧

項目 零件號 數量 描述
1 u65996590 1 u65996590墊片
1 165996590 1 u65996590正時墊片
011310612、2螺桿011310612 2
3 165166580 1 u65166580板
3 u65166580 1 u65166580板

項目 零件號 數量 描述
1個1缸總成
198466940、4、198466940水堵4
198466010、3、198466010水堵5
198466020、2、198466020水堵6
064210025、2、064210025水堵7
064209055、1、064209055水堵8
064209055、3、064209055水堵9
064209055、1、064209055水堵10
198466920、2、198466920水堵11
198517222號1布什12
(12)198517226 198517226布什
(12)198517229 198517229布什
042309017、1針042309017軸承
042309018、1針042309018軸承
040106203個1球軸承040106203 15
064100045、1、064100045水堵16
17 1軸
17 165296220 1 u5mk8267軸
012110635個1根012110635根螺柱
012110640個1根012110640根螺柱
012110660個1根012110660根螺柱
010109441個3根010109441根螺柱
030500612號2號030500612根銷子
030500616號2號030500616根銷子
030501025號2號030501025根銷子
25 t30309005 2 t30309005彈簧銷
25 030309005 2 t30309005銷

項目 零件號 數量 描述
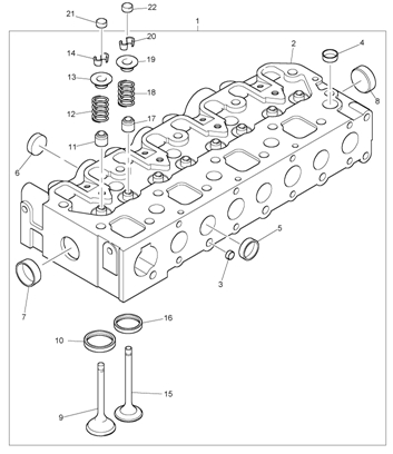
111011090個1缸111011090頭總成
111011090個1缸111011090頭總成
111011090個1缸111011090頭總成
120216041、4號120216041氣門彈簧蓋
120216040、4號120216041氣門彈簧蓋
120216041、4號120216041氣門彈簧蓋
120216040、4號120216041氣門彈簧蓋

項目 零件號 數量 描述
1 1墊片氣缸蓋
(1)111147711 1 111147711缸頭墊片1.2mm
(1)111147721 1 111147721缸頭墊片1.3mm
111136480、14螺桿111136480 2
111136490、4螺桿111136490 3
012110655個2根012110655根螺柱
012110860個4根012110860根螺柱

項目 零件號 數量 描述
120037240、1、120037240搖臂箱
120036821、1、120037240搖臂箱
11 120996130 1 u20996130密封搖臂箱
12 120456310 8 120456310推桿
120116160款8款120116160氣門挺桿
012109044個4根012109044根螺柱
023100010、4螺母023100010 15
011310635、2螺桿011310635 16
項目 零件號 數量 描述
1搖臂箱2
120316201、1軸120316201搖臂3
4、1號052109076密封O型圈
120356131、4搖臂120356131組件進口
6、4搖臂120356141裝配排氣
198217170、3、198217170搖臂軸彈簧7
199486220、8號199486220調節螺絲
020109076、8螺母020109076 9
199280300號6號199280300墊圈

Item Parts No. Qty. Latest Part No. Description Cut Out Cut In Comment
項目 零件號 數量 描述
2 1 ROCKER BOX
1搖臂箱2
3 120316201 1 120316201 ROCKER SHAFT
120316201、1軸120316201搖臂3
4 052109076 1 052109076 SEAL - O RING
4、1號052109076密封O型圈
5 120356131 4 120356131 ROCKER ARM ASSEMBLY INLET
120356131、4搖臂120356131組件進口
6 120356141 4 120356141 ROCKER ARM ASSEMBLY EXHAUST
6、4搖臂120356141裝配排氣
7 198217170 3 198217170 ROCKER SHAFT SPRING
198217170、3、198217170搖臂軸彈簧7
8 199486220 8 199486220 ADJUSTING SCREW
199486220、8號199486220調節螺絲
9 020109076 8 020109076 NUT
020109076、8螺母020109076 9
10 199280300 6 199280300 WASHER
199280300號6號199280300墊圈
Item Parts No. Qty. Latest Part No. Description Cut Out Cut In Comment
項目 零件號 數量 描述
1 120026860 1 120026860 CAMSHAFT
120026860 1 120026860凸輪軸
7 125256220 1 125256220 SLIDER
125256220、1、125256220滑塊7
8 199566750 1 199566750 PLATE
199566750、1、199566750盤8
9 011310612 2 011310612 SCREW
011310612、2螺桿011310612 9
Item Parts No. Qty. Latest Part No. Description Cut Out Cut In Comment
項目 零件號 數量 描述
1 1 TIMING CASE
1 1定時箱
2 U65996630 1 U65996630 GASKET - TIMING CASE
2 u65996630 1 u65996630正時墊片
2 165996630 1 U65996630 GASKET - TIMING CASE
2 165996630 1 u65996630正時墊片
3 011310640 7 011310640 SCREW
011310640、7螺桿011310640 3
4 011310660 4 011310660 SCREW
011310660、4螺桿011310660 4
5 023100006 2 023100006 NUT
023100006、2螺母023100006 5

Item Parts No. Qty. Latest Part No. Description Cut Out Cut In Comment
項目 零件號 數量 描述
1 125616121 1 125616121 BRACKET
125616121、1號125616121支架
1 125616120 1 125616121 BRACKET
125616120、1號125616121支架
2 U65996640 1 U65996640 GASKET - TIMING CASE
2 u65996640 1 u65996640正時墊片
2 165996640 1 U65996640 GASKET
2 165996640 1 u65996640墊片
3 125156263 1 125156263 ARM
125156263、1、125156263臂3
3 125156261 1 125156263 ARM
125156261、1、125156263臂3
3 125156262 1 125156263 ARM
125156262、1、125156263臂3
4 198217842 1 198217842 SPRING
198217842、1、198217842、4彈簧
4 198217841 1 198217842 SPRING
198217841、1、198217842、4彈簧
5 052100070 1 052100070 SEAL - O RING
5、1號052100070密封O型圈
6 198217750 1 198217750 SPRING
198217750、1、198217750、6彈簧
7 023100008 1 023100008 NUT
023100008、1螺母023100008 7
8 012810635 1 012810635 SCREW
012810635、1螺桿012810635 8
8 2315C039 1 2315C039 SCREW
8 2315c039 1 2315c039螺釘
9 2648A120 1 2648A120 NUT
9 2648a120 1 2648a120螺母
10 26420462 1 26420462 ANTI-TAMPER CAP
10 26420462 1 26420462 anti-tamper帽
11 012810635 1 012810635 SCREW
012810635、1螺桿012810635 11
11 2315C039 1 2315C039 SCREW
11 2315c039 1 2315c039螺釘
12 2318A207 1 2318A207 NUT
12 2318a207 1 2318a207螺母
13 2314F004 4 2314F004 SCREW
13 2314f004 4 2314f004螺釘
13 010109600 4 010109600 SCREW
010109600、4螺桿010109600 13
13 011310614 4 011310614 SCREW
011310614、4螺桿011310614 13

Item Parts No. Qty. Latest Part No. Description Cut Out Cut In Comment
項目 零件號 數量 描述
1 125046615 1 125046615 CONTROL LEVER
125046615、1、125046615控制桿1
1 125046612 1 Check History CONTROL LEVER
125046612、1檢查歷史控制桿1
1 125046613 1 Check History CONTROL LEVER
125046613、1檢查歷史控制桿1
2 125116300 1 125116300 SHAFT
125116300、1軸125116300 2
2 125116221 1 Check History SHAFT
125116221 1檢查歷史軸
3 052100080 1 052100080 SEAL - O RING
3、1號052100080密封O型圈
3 025100008 1 025100008 WASHER
025100008號1號025100008墊圈
4 131046681 1 131046681 SPEED SENSOR
131046681號1號131046681速傳感器
4 131046680 1 131046681 SPEED SENSOR
131046680號1號131046681速傳感器
5 020800010 1 020800010 NUT
020800010、1螺母020800010 5
6 125306151 1 125306151 CONTROL LEVER
125306151、1、125306151控制桿6
6 125306150 1 125306151 CONTROL LEVER
125306150、1、125306151控制桿6
7 125116211 1 125116211 SHAFT
125116211、1軸125116211 7
8 025100006 1 025100006 WASHER
025100006號1號025100006墊圈
9 024500006 1 024500006 NUT
024500006、1螺母024500006 9
10 198217880 1 198217880 SPRING
198217880、1、198217880、10彈簧
11 U98466960 1 U98466960 PLUG
11 u98466960 1 u98466960水堵
12 031100004 1 031100004 PIN
031100004、031100004針1 12

Item Parts No. Qty. Latest Part No. Description Cut Out Cut In Comment
項目 零件號 數量 描述
131466270 1 29990071 ANTI-TAMPER CAP
131466270 1 29990071 anti-tamper帽
131466271 1 29990071 ANTI-TAMPER CAP
131466271 1 29990071 anti-tamper帽
1 131046640 1 131046640 SCREW
131046640、1螺桿131046640 1
6 198346160 1 198346160 RING
198346160號1環198346160號6
7 131276440 1 131276440 ANTI-TAMPER CAP
7 131276440 1 131276440 anti-tamper帽
8 131466351 1 131466351 BOLT
131466351號1號131466351螺栓
8 131466251 1 131466251 BOLT
131466251號1號131466251螺栓
8 131466350 1 131466351 BOLT
131466350號1號131466351螺栓
9 025100006 1 025100006 WASHER
025100006號1號025100006墊圈
10 020109239 1 020109239 NUT
020109239、1螺母020109239 10
10 020109231 1 020109239 NUT
020109231、1螺母020109239 10
11 198346160 1 198346160 RING
198346160號1環198346160號11
12 29990071 1 29990071 ANTI-TAMPER CAP
12 29990071 1 29990071 anti-tamper帽
12 064210012 1 29990071 CAP
064210012、1號29990071封頂

Item Parts No. Qty. Latest Part No. Description Cut Out Cut In Comment
項目 零件號 數量 描述
1 131406540 4 131406540 INJECTOR
131406540、4號131406540噴油器1
3 U31426200 4 U31426200 SEAL - INJECTOR
3 u31426200 4 u31426200密封器
3 131426200 4 U31426200 SEAL - INJECTOR
3 131426200 4 u31426200密封器

Item Parts No. Qty. Latest Part No. Description Cut Out Cut In Comment
項目 零件號 數量 描述
1 131011100 1 131011100 FUEL INJECTION PUMP
131011100號1號131011100噴油泵
2 1 INJECTOR SHIM
1噴油器墊片2
2 1 SHIM
1墊片2
(2) 131437491 1 131437491 SHIM
(2)1第131437491墊片131437491
(2) 131437501 1 131437501 SHIM
(2)1第131437501墊片131437501
(2) 131437511 1 131437511 SHIM
(2)1第131437511墊片131437511
(2) 131437521 1 131437521 SHIM
(2)1第131437521墊片131437521
(2) 131437531 1 131437531 SHIM
(2)1第131437531墊片131437531
(2) 131437731 1 131437731 SHIM
(2)1第131437731墊片131437731
(2) 131437761 1 131437761 SHIM
(2)1第131437761墊片131437761
(2) 131437491 1 131437491 SHIM
(2)1第131437491墊片131437491
(2) 131437501 1 131437501 SHIM
(2)1第131437501墊片131437501
(2) 131437511 1 131437511 SHIM
(2)1第131437511墊片131437511
(2) 131437521 1 131437521 SHIM
(2)1第131437521墊片131437521
(2) 131437531 1 131437531 SHIM
(2)1第131437531墊片131437531
(2) 131437731 1 131437731 SHIM
(2)1第131437731墊片131437731
(2) 131437761 1 131437761 SHIM
(2)1第131437761墊片131437761
3 2311D559 1 2311D559 SCREW
3 2311d559 1 2311d559螺釘
3 010700820 1 2311D559 SCREW
3 010700820 1 2311d559螺釘
4 027100008 1 027100008 WASHER
027100008號1號027100008墊圈
4 027100008 1 027100008 WASHER
027100008號1號027100008墊圈
5 010800820 1 010800820 SCREW
010800820、1螺桿010800820 5
5 010800820 2 010800820 SCREW
010800820、2螺桿010800820 5
6 023100008 3 023100008 NUT
023100008、3螺母023100008 6
7 010800820 1 010800820 SCREW
010800820、1螺桿010800820 7

Item Parts No. Qty. Latest Part No. Description Cut Out Cut In Comment
項目 零件號 數量 描述
1 131507700 1 131507700 PIPE - FUEL INJ NO 1 CYL
1 131507700 1 131507700燃油管1號
2 131507710 1 131507710 PIPE - FUEL INJ NO 2 CYL
2 131507710 1 131507710燃油管2號
3 131507720 1 131507720 PIPE - FUEL INJ NO 3 CYL
3 131507720 1 131507720燃油管3號
4 131507730 1 131507730 PIPE - FUEL INJ NO 4 CYL
4 131507730 1 131507730燃油管4號
5 199106021 3 199106021 CLAMP
199106021號3號199106021夾
6 199106021 3 199106021 CLAMP
199106021號3號199106021夾
7 010110625 3 010110625 SCREW
010110625、3螺桿010110625 7
8 023100006 3 023100006 NUT
023100006、3螺母023100006 8
Item Parts No. Qty. Latest Part No. Description Cut Out Cut In Comment
項目 零件號 數量 描述
1 U98436350 1 U98436350 OIL FILLER CAP
1 u98436350 1 u98436350加油口蓋
1 198436350 1 U98436350 OIL FILLER CAP
1 198436350 1 u98436350加油口蓋
2 052100400 1 052100400 SEAL - O RING
2、1號052100400密封O型圈
3 198436390 1 198436390 OIL FILLER CAP
198436390、1油198436390加注口蓋
3 398430080 1 198436390 OIL FILLER CAP
398430080、1油198436390加注口蓋
4 052100280 1 052100280 SEAL - O RING
4、1號052100280密封O型圈
5 165206530 1 165206530 COVER
165206530、1、165206530蓋5
6 U30996131 1 U30996131 GASKET - LIFT PUMP
6 u30996131 1 u30996131墊片-提升泵
6 3688A036 1 3688A054 GASKET
6 3688a036 1 3688a054墊片
6 130996130 1 U30996131 GASKET - LIFT PUMP
6 130996130 1 u30996131墊片-提升泵
6 U30996130 1 U30996131 GASKET - LIFT PUMP
6 u30996130 1 u30996131墊片-提升泵
7 011310612 2 011310612 SCREW
011310612、2螺桿011310612 7

Item Parts No. Qty. Latest Part No. Description Cut Out Cut In Comment
項目 零件號 數量 描述
1 140517050 1 140517050 OIL FILTER
140517050、1號140517050油過濾器

Item Parts No. Qty. Latest Part No. Description Cut Out Cut In Comment
項目 零件號 數量 描述
2 1 OIL COOLER
1油冷卻器2
3 2486A225 1 2486A225 ADAPTOR
3 2486a225 1 2486a225適配器
4 2486A223 1 2486A223 SEAL - O RING
4 2486a223 1 2486a223密封O形環

Item Parts No. Qty. Latest Part No. Description Cut Out Cut In Comment
項目 零件號 數量 描述
1 145046110 1 145046110 THERMOSTAT HOUSING
145046110、1個145046110溫控座
2 145206230 1 145206230 THERMOSTAT
145206230、1節145206230節溫控器2
3 U45996930 1 U45996930 GASKET - THERMOSTAT HSG
3 u45996930 1 u45996930墊片恒溫器HSG
3 145996930 1 U45996930 GASKET - THERMOSTAT HSG
3 145996930 1 u45996930墊片恒溫器HSG
4 011310655 2 011310655 BOLT
011310655號2號011310655螺栓
5 023100006 2 023100006 NUT
023100006、2螺母023100006 5
6 064500030 1 064500030 PLUG
064500030、1、064500030水堵6
7 T420246 1 T420246 PLUG
7 t420246 1 t420246水堵
7 064500060 1 064500060 PLUG
064500060、1、064500060水堵7

Item Parts No. Qty. Latest Part No. Description Cut Out Cut In Comment
項目 零件號 數量 描述
1 T421813 1 T421813 THERMOSTAT HOUSING
1 t421813 1 t421813恒溫器外殼
1 U45046111 1 T421813 THERMOSTAT HOUSING
1 u45046111 1 t421813恒溫器外殼
2 145206230 1 145206230 THERMOSTAT
145206230、1節145206230節溫控器2
3 U45996930 1 U45996930 GASKET - THERMOSTAT HSG
3 u45996930 1 u45996930墊片恒溫器HSG
3 145996930 1 U45996930 GASKET - THERMOSTAT HSG
3 145996930 1 u45996930墊片恒溫器HSG
4 011310655 2 011310655 BOLT
011310655號2號011310655螺栓
5 023100006 2 023100006 NUT
023100006、2螺母023100006 5
6 064500030 1 064500030 PLUG
064500030、1、064500030水堵6
7 T420246 1 T420246 PLUG
7 t420246 1 t420246水堵
7 064500060 1 064500060 PLUG
064500060、1、064500060水堵7

Item Parts No. Qty. Latest Part No. Description Cut Out Cut In Comment
項目 零件號 數量 描述
1 U45010062 1 U45011030 WATER PUMP
1 u45010062 1 u45011030水泵
1 145010061 1 U45011030 WATER PUMP
1 145010061 1 u45011030水泵
2 U45996990 1 U45996990 GASKET - WATER PUMP
2 u45996990 1 u45996990墊片水泵
2 145996990 1 U45996990 GASKET - WATER PUMP
2 145996990 1 u45996990墊片水泵
3 198487890 1 198487890 CONNECTION
198487890、1號198487890通
3 198487890 1 198487890 CONNECTION
198487890、1號198487890通
3 T420245 1 T420245 CONNECTOR
3 t420245 1 t420245連接器
4 011310635 4 011310635 SCREW
011310635、4螺桿011310635 4
5 023100006 1 023100006 NUT
023100006、1螺母023100006 5
6 145537300 1 145537300 HOSE
145537300號1號145537300軟管
7 2481877 1 2481877 HOSE CLIP
2481877、1號2481877軟管夾
8 2481877 1 2481877 HOSE CLIP
2481877、1號2481877軟管夾

Item Parts No. Qty. Latest Part No. Description Cut Out Cut In Comment
項目 零件號 數量 描述
052300850 1 052300850 SEAL - O RING
1 052300850密封O型圈
1 U65166580 1 U65166580 PLATE
1 u65166580 1 u65166580板
2 110416290 1 110416290 BEARING HOLDER ASSEMBLY
110416290 1 110416290軸承保持架總成
3 U65206791 1 U65206791 COVER
3 u65206791 1 u65206791蓋
4 052300850 1 052300850 SEAL - O RING
4、1號052300850密封O型圈
5 052300850 1 052300850 SEAL - O RING
5、1號052300850密封O型圈
6 340460300 1 W40460300 GEAR
6 340460300 1 w40460300齒輪
7 040136005 1 040136005 BALL BEARING
040136005個1球軸承040136005 7
8 040136005 1 040136005 BALL BEARING
040136005個1球軸承040136005 8
9 U65206791 1 U65206791 COVER
9 u65206791 1 u65206791蓋
10 2314J017 2 2314J017 SCREW
10 2314j017 2 2314j017螺釘
11 2318A604 2 2318A604 NUT
11 2318a604 2 2318a604螺母
11 052300850 1 052300850 SEAL - O RING
11、1號052300850密封O型圈

Item Parts No. Qty. Latest Part No. Description Cut Out Cut In Comment
項目 零件號 數量 描述
1 135617460 1 135617460 EXHAUST MANIFOLD
135617460、1路135617460排氣歧管1
2 135996780 1 135996780 GASKET - EXHAUST MANIFOLD
135996780、1墊片135996780排氣歧管
3 011510860 4 011510860 SCREW
011510860、4螺桿011510860 3
4 012109235 4 012109235 STUD
012109235個4根012109235根螺柱
5 023100008 4 023100008 NUT
023100008、4螺母023100008 5

Item Parts No. Qty. Latest Part No. Description Cut Out Cut In Comment
項目 零件號 數量 描述
1 U11217521 1 U11217521 CYLINDER HEAD COVER
1 u11217521 1 u11217521缸蓋罩
2 111996401 1 111996401 GASKET - CYL. HEAD COVER
2 111996401 1 111996401 -氣缸蓋墊片
3 110566080 1 110566080 BREATHER VALVE
110566080、1個110566080通呼吸閥
4 U10998331 1 U10998331 GASKET
4 u10998331 1 u10998331墊片
5 U10566170 1 U10566170 ADAPTOR
5 u10566170 1 u10566170適配器
6 011100430 4 011100430 BOLT
011100430號4號011100430螺栓
7 064400010 1 064400010 PLUG
064400010、1、064400010水堵7
8 110666060 1 110666060 GAUZE
110666060、1、110666060紗布8
9 110666280 1 110666280 PLATE
110666280、1、110666280盤9
10 015600406 6 015600406 SCREW
015600406、6螺桿015600406 10
11 011310640 2 011310640 SCREW
011310640、2螺桿011310640 11
12 011310660 3 011310660 SCREW
011310660、3螺桿011310660 12
13 024600010 4 024600010 NUT
024600010、4螺母024600010 13
14 140996270 4 140996270 WASHER
140996270號4號140996270墊圈
15 T12119005 1 T12119005 STUD
15 t12119005 1 t12119005螺柱
16 023100006 1 023100006 NUT
023100006、1螺母023100006 16

Item Parts No. Qty. Latest Part No. Description Cut Out Cut In Comment
項目 零件號 數量 描述
1 135756180 1 135756180 TURBOCHARGER
135756180渦輪增壓器1 1
2 135997020 1 135997020 GASKET - TURBOCHARGER
135997020、1墊片2 TURBOCHARGER
3 023100008 4 023100008 NUT
023100008、4螺母023100008 3
4 135997031 1 135997031 GASKET
135997031、1、135997031墊片4
5 2313C059 5 2313C059 STUD
5 2313c059 5 2313c059螺柱
6 026200008 5 026200008 WASHER
026200008號5號026200008墊圈
7 027100008 5 027100008 WASHER
027100008號5號027100008墊圈
8 023100008 5 023100008 NUT
023100008、5螺母023100008 8
9 130976650 1 U30976650 STAY
9 130976650 1 u30976650停留
10 2314H002 1 2314H002 SCREW
10 2314h002 1 2314h002螺釘
10 011510816 1 011510816 SCREW
011510816、1螺桿011510816 10
11 011510820 1 011510820 SCREW
011510820、1螺桿011510820 11
13 2314H003 4 2314H003 SCREW
13 2314h003 4 2314h003螺釘

Item Parts No. Qty. Latest Part No. Description Cut Out Cut In Comment
項目 零件號 數量 描述
1 U5MK8267 1 U5MK8267 OIL PUMP IDLER GEAR
1 u5mk8267 1 u5mk8267油泵從動齒輪
Item Parts No. Qty. Latest Part No. Description Cut Out Cut In Comment
項目 零件號 數量 描述
2 1 SHAFT
2 1軸
3 199266270 1 199266270 THRUST WASHER
199266270 1 199266270推力墊圈
4 1 IDLER GEAR
1惰輪4
5 1 ROTOR
5 1轉子
6 140116220 1 140116220 COVER
140116220、1、140116220蓋6
7 1 SHIM
1墊片7
(7) 199286150 1 199286150 SHIM
(7)1第199286150墊片199286150
(7) 199286160 1 199286160 SHIM
(7)1第199286160墊片199286160
(7) 199286170 1 199286170 SHIM
(7)1第199286170墊片199286170
(7) 199286180 1 199286180 SHIM
(7)1第199286180墊片199286180
8 198216720 1 198216720 SPRING
198216720、1、198216720、8彈簧
9 199236540 1 199236540 COLLAR
199236540、1、199236540領9
10 036800010 1 036800010 CIRCLIP
10 036800010 1 036800010卡簧

Item Parts No. Qty. Latest Part No. Description Cut Out Cut In Comment
項目 零件號 數量 描述
027100004 1 027100004 WASHER
1號027100004墊圈
1 185366190 4 185366190 GLOWPLUG
1 185366190 4 185366190預熱塞
4 185376150 1 185376150 BAR
185376150、1號185376150桿
5 023100004 1 023100004 NUT
023100004、1螺母023100004 5
5 020100004 1 020100004 NUT
020100004、1螺母020100004 5

Item Parts No. Qty. Latest Part No. Description Cut Out Cut In Comment
項目 零件號 數量 描述
185206450 1 U85206520 SOLENOID
185206450 1 u85206520停車電磁閥
U85206451 1 U85206520 SOLENOID
u85206451 1 u85206520停車電磁閥
U85206452 1 U85206520 SOLENOID
u85206452 1 u85206520停車電磁閥
1 125416440 1 125416440 CONTROL LEVER
125416440、1、125416440控制桿1
2 U85206520 1 U85206520 SOLENOID
2 u85206520 1 u85206520停車電磁閥
3 025100016 1 025100016 WASHER
025100016號1號025100016墊圈

Item Parts No. Qty. Latest Part No. Description Cut Out Cut In Comment
項目 零件號 數量 描述
1 111996401 1 111996401 GASKET - CYL. HEAD COVER
1 111996401 1 111996401 -氣缸蓋墊片
2 135996780 1 135996780 GASKET - EXHAUST MANIFOLD
135996780、1墊片135996780排氣歧管
3 064400010 1 064400010 PLUG
064400010、1、064400010水堵3

Item Parts No. Qty. Latest Part No. Description Cut Out Cut In Comment
項目 零件號 數量 描述
1 W85720580 1 W85720580 WATER TEMPERATURE SWITCH
1 w85720580 1 w85720580水溫開關
1 385720510 1 385720510 WATER TEMPERATURE SWITCH
385720510、1號385720510水溫開關
