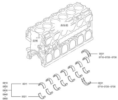
三菱S6R-PTA柴油發動機軸承瓦
|
參考號 |
零件編號 |
零件名稱和描述 |
數量 |
|
0011 |
* |
三菱S6R 主三菱S6R 軸承瓦(上軸瓦) |
標準 |
|
0021 |
* |
三菱S6R 主三菱S6R 軸承瓦(下軸瓦) |
標準 |
|
0031 |
37509-38100 |
三菱S6R 推力片標準 |
4 |
|
0710 |
37509-38200 |
三菱S6R 推力片過大 |
0.25 |
|
0720 |
37509-38300 |
三菱S6R 推力片過大 |
0.50 |
|
0730 |
37509-38400 |
三菱S6R 推力片過大 |
0.75 |
|
0810 |
37509-50010 |
三菱S6R 主三菱S6R 軸承瓦組件標準 |
7 |
|
0820 |
37509-50020 |
三菱S6R 主三菱S6R 軸承瓦組件尺寸不足 |
0.25 |
|
0830 |
37509-50030 |
三菱S6R 主三菱S6R 軸承瓦組件尺寸不足 |
0.50 |
|
0840 |
37509-50040 |
三菱S6R 主三菱S6R 軸承瓦組件尺寸不足 |
0.75 |
|
0850 |
37509-50020 |
三菱S6R 主三菱S6R 軸承瓦組件尺寸不足 |
1.00 |

三菱S6R發動機潤滑油濾清器的解體,檢修
解體順序
1 三菱S6R發動機潤滑油濾清器(濾筒式)
2 潤滑油濾清器報警器
3 三菱S6R發動機端蓋
4 端蓋
5 銷
6 三菱S6R發動機旋塞
7 三菱S6R發動機濾清器座
2.11 檢測潤滑油濾清器
更換潤滑油濾清器時,取潤滑油(500ml) 作為樣品進行檢測,發現有金屬粉末或其他的異常時,切開濾芯進一步檢查金屬粉末的顏色和形狀并確認原因。

2.12 三菱S6R發動機檢測潤滑油濾清器報警器
(1) 用萬用表測量絕緣和通電的狀況,發現異常時分解修理。如果絕緣用膠木、橡膠老化或損傷,則須更換。
(2) 三菱S6R發動機濾清器報警器的亮燈開始壓力超出標準值時,更換新品。


2.13 三菱S6R發動機潤滑油濾清器的組裝
組裝時的順序和解體時相反。潤滑油的通道用清洗油充分清洗,用高壓空氣吹干。
2.14 安裝潤滑油濾清器濾筒
(a) 用手旋緊潤滑油濾清器的濾筒。( 不要使用濾清器扳手)
(b) 注意不要碰癟或損傷濾筒的外表面。
(1) 三菱S6R發動機清除潤滑油濾清器濾筒安裝面的雜質和油污。
(2) 在潤滑油濾清器墊圈上涂抹清潔的潤滑油。
(3) 當潤滑油濾清器墊圈和濾清器座面接觸后,用手旋緊3/4 ~ 1 周。
(4) 起動發動機確認無潤滑油漏泄。
3. 潤滑油系統的安裝
組裝時的順序和解體時相反。( 參照解體圖)
潤滑油通路要充分清洗,并使其干燥。
3.1 安裝三菱S6R發動機潤滑油泵
潤滑油泵安裝在曲軸箱上后,測量曲軸齒輪和潤滑油泵齒輪的齒隙。齒隙不符標準值時,在潤滑油泵安裝部位插入墊片進行調整。
![]()

3.2 安裝三菱S6R發動機油底殼
(1) 三菱S6R發動機油底殼墊片的分割處(4處)涂抹密封劑(Herdite),安裝油底殼墊片。
(2) 三菱S6R發動機在曲軸箱安裝2 個導向螺栓,安裝油底殼。
(3) 按照規定的扭矩緊固安裝螺栓。
