后部裝置的解體,檢修
在進行解體之前,注意掌握發動機各部分的現狀,有助于分析故障原因和提高檢修作業的效率。
請根據檢修內容和目的,確認各項目中所要求的事項。
測量三菱S6R柴油發動機飛輪的端面跳動、徑向跳動
測量正時齒輪的齒隙
測量惰齒輪、三菱S6R柴油發動機凸輪軸的軸向間隙

后部裝置的解體,檢修
解體順序
1 轉速傳感器( 電子調速器規格)
2 運行計時器( 運行計時器配置規格)
3 三菱S6R柴油發動機飛輪( 標準: 約83 kg)(FCD 規格: 約42 kg)( 陸用離合器: 約100 kg)
4 正時齒輪箱( 約88 kg)
5 油封
6 推力片
7 惰齒輪
8 三菱S6R柴油發動機燃油噴油泵驅動器( 解體、檢修和組裝,參考[ 燃油系統])
9 調速器驅動器(液壓調速器規格)( 解體、檢修和組裝,參考[ 燃油系統])
10 三菱S6R柴油發動機凸輪軸齒輪
11 推力片
12 三菱S6R柴油發動機凸輪軸 ( 約32 kg)
13 惰軸
14 后端板
15 三菱S6R柴油發動機噴油器板
注: 三菱S6R柴油發動機飛輪的形狀根據不同用途和規格有所不同。
2.1 測量三菱S6R柴油發動機飛輪的端面跳動、徑向跳動
檢測三菱S6R柴油發動機飛輪的端面跳動、徑向跳動,掌握現在的狀況。
檢測要領參考「發動機本體的組裝」的「檢測三菱S6R柴油發動機飛輪的端面跳動、徑向跳動」項。

測量三菱S6R柴油發動機飛輪的端面跳動、徑向跳動
2.2 拆卸三菱S6R柴油發動機飛輪
(1) 安裝吊具以免三菱S6R柴油發動機飛輪掉落。
(2) 均等的旋入2個拆卸用螺栓,將三菱S6R柴油發動機飛輪拆下。

拆卸三菱S6R柴油發動機飛輪
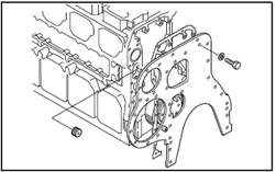
2.3 拆卸正時齒輪箱
(1) 安裝吊具以免正時齒輪箱掉落。
(2) 將正時齒輪箱向外拉至脫出定位銷,然后拆下。
(3) 拆卸正時齒輪箱的油封。
注: 更換拆下的油封。油封不能重新使用。

拆卸正時齒輪箱
2.4 測量正時齒輪的齒隙
檢測正時齒輪的齒隙,掌握現在的狀況。
檢測要領參考「發動機本體的組裝」的「測量正時齒輪的齒隙」項。

測量正時齒輪的齒隙
2.5 測量惰齒輪的軸向間隙
檢測惰齒輪的軸向間隙,掌握現在的狀況。
檢測要領參考「發動機本體的組裝」的「測量惰齒輪的軸向間隙」項。

測量惰齒輪的軸向間隙
2.6 拆卸惰齒輪
(1) 從惰軸上拆下推力片。
(2) 從惰軸上拆下惰齒輪。

拆卸惰齒輪
2.7 拆卸調速器驅動器、三菱S6R柴油發動機燃油噴油泵驅動器
從后端板拆下調速器驅動器(液壓調速器規格)、三菱S6R柴油發動機燃油噴油泵驅動器。( 解體、檢修和組裝,參考[ 燃油系統])

拆卸調速器驅動器、三菱S6R柴油發動機燃油噴油泵驅動器
2.8 測量三菱S6R柴油發動機凸輪軸的軸向間隙
檢測三菱S6R柴油發動機凸輪軸的軸向間隙,掌握現在的狀況。
檢測要領參考「發動機本體的組裝」的「測量三菱S6R柴油發動機凸輪軸的軸向間隙」項。

測量三菱S6R柴油發動機凸輪軸的軸向間隙
2.9 拆卸三菱S6R柴油發動機凸輪軸齒輪
從三菱S6R柴油發動機凸輪軸上拆下三菱S6R柴油發動機凸輪軸齒輪。

拆卸三菱S6R柴油發動機凸輪軸齒輪
2.10 拆卸三菱S6R柴油發動機凸輪軸
(1) 拆卸推力片。
(2) 從三菱S6R柴油發動機三菱S6R柴油發動機曲軸箱體的側蓋口支住三菱S6R柴油發動機凸輪軸,從三菱S6R柴油發動機三菱S6R柴油發動機曲軸箱體內拆出。
注: 在拆出三菱S6R柴油發動機凸輪軸前,先拆下安裝在三菱S6R柴油發動機凸輪軸前端的油封座、油封和聯軸器。

拆卸三菱S6R柴油發動機凸輪軸
2.11 拆卸惰軸
均等的旋入2個拆卸用螺栓,將惰軸拆下。

拆卸惰軸
2.12 拆卸后端板
(1) 從三菱S6R柴油發動機三菱S6R柴油發動機曲軸箱上拆卸后端板。
(2) 從三菱S6R柴油發動機三菱S6R柴油發動機曲軸箱上拆卸三菱S6R柴油發動機噴油器板。

拆卸后端板