我們是專業的Perkins100發動機缸體組件 110103102銷售服務商,想要了解更多的Perkins100發動機缸體組件 110103102類型和資料,請現在聯系我們!寧波日興動力科技有限公司
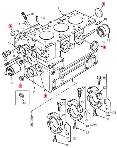
Perkins100發動機缸體組件 110103102
項目 老件號 新件號 描述
2 064200025 1 064210025 堵塞
3 064200035 2 064210035 堵塞
4 064200040 2 064209055 堵塞

溫馨提示
我司建立了一套完整的英國Perkins零配件供應體系,全天候快速響應,純正的Perkins配件是您最佳的選擇,因為您所得到的是延長Perkins動力系統壽命的最佳保證。
網頁中公布的Perkins發動機配件號與圖片僅為參考,因 Perkins動力系統零配件型號與技術參數太多,沒能全部展示,如有配件與維修技術資料方面的需求,請與本司的在線客服溝通與交流,希望我們能夠幫您節約更多等待備件時間和維修技術方面的困難。
特別聲明:我司只銷售Perkins原廠配件,需付廠或防品件請繞道,謝謝。