奧林匹亞Perkins 4012柴油發動機發電機氣門SE7AJ/14
項次 零配件編號 最近的零配件編號 描述
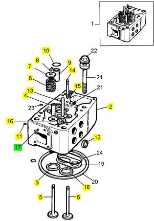
2 1 汽缸蓋
2 1 汽缸蓋裝備
3 740/101 2 740/101 氣門座圈
3 740/101 4 740/101 氣門座圈
4 392/42 4 392/42 導入
5 SE7AB/14 4 SE7AJ/14 氣門
5 SE7W/14 4 SE7AJ/14 氣門
6 365/472 4 365/472 氣門彈簧
7 L7C/15 4 L7C/15 帽
8 HW7B/18 8 HW7B/18 氣門閥鎖夾
9 SE1/12 1 SE1/12 套筒
10 576/139 1 576/139 密封O型圈
11 641/23 2 641/23 栓塞
12 642/25 10 642/25 栓塞
13 340/397 2 340/434 合釘
14 2121/1 1 2121/1 圖釘
15 316481 1 316481 圖釘
16 55/69 2 55/69 SPIROL 銷
17 2642/1 2 2642/1 栓塞
18 740/106 2 740/106 氣門座圈
Item Parts No. Qty. Latest Part No. Description Cut Out Cut In Comment
2 1 CYLINDER HEAD
2 1 CYLINDER HEAD KIT
3 740/101 2 740/101 INSERT
3 740/101 4 740/101 INSERT
4 392/42 4 392/42 GUIDE
5 SE7AB/14 4 SE7AJ/14 INTAKE AND EXHAUST VALVE
5 SE7W/14 4 SE7AJ/14 INTAKE AND EXHAUST VALVE
6 365/472 4 365/472 VALVE SPRING
7 L7C/15 4 L7C/15 CAP
8 HW7B/18 8 HW7B/18 VALVE COLLET
9 SE1/12 1 SE1/12 SLEEVE
10 576/139 1 576/139 SEAL - O RING
11 641/23 2 641/23 PLUG
12 642/25 10 642/25 PLUG
13 340/397 2 340/434 DOWEL
14 2121/1 1 2121/1 STUD
15 316481 1 316481 STUD
16 55/69 2 55/69 SPIROL PIN
17 2642/1 2 2642/1 PLUG
18 740/106 2 740/106 INSERT

溫馨提示
我司建立了一套完整的英國Perkins零配件供應體系,全天候快速響應,純正的Perkins配件是您最佳的選擇,因為您所得到的是延長Perkins動力系統壽命的最佳保證。
網頁中公布的Perkins發動機配件號與圖片僅為參考,因 Perkins動力系統零配件型號與技術參數太多,沒能全部展示,如有配件與維修技術資料方面的需求,請與本司的在線客服溝通與交流,希望我們能夠幫您節約更多等待備件時間和維修技術方面的困難。
特別聲明:我司只銷售Perkins原廠配件,需付廠或防品件請繞道,謝謝。