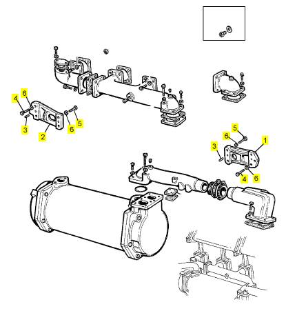
珀金斯Perkins4008柴油發動機發電機582/136機油冷卻器
序號 零配件號碼 近期零配件號碼 描述
1 582/136 1 582/136 機油冷卻器
(1) 半徑/582/136 1 半徑/582/136 機油冷卻器

序號 零配件號碼 近期零配件號碼 描述
2 8 SE445/12 1 8 SE445/12 殼
3 283/111 1 283/111 密封墊 - 機油冷卻器
4 SE445B/1 1 SE445B/1 蓋
5 283/108 1 283/108 密封墊 - 機油冷卻器
6 312067 4 312067 固定螺釘
7 SE445K/2 1 SE445K/2 TUBESTACK
8 310193 1 310193 螺拴
9 310070 2 310070 螺拴
10 2086/010 7 2086/010 彈簧墊片
11 SE445C/1 1 SE445C/1 蓋
12 576/184 1 576/184 密封O圈
13 312067 5 312067 固定螺釘
14 312065 2 312065 固定螺釘
15 2086/010 7 2086/010 彈簧墊片
16 530/19 1 530/19 水栓
17 012652 2 012652 墊圈

序號 零配件號碼 近期零配件號碼 描述
1 664/1627 1 664/1627 架
2 664/1628 1 664/1628 架
3 354500 4 354500 固定銷
4 312066 4 312066 固定螺釘
5 312064 4 312064 固定螺釘
6 318210 8 318210 彈簧墊片

序號 零配件號碼 近期零配件號碼 描述
1 SE111B/23 1 SE111B/23 機油濾清器座
2 SE111A/36 1 SE111A/36 密封墊 - 機油濾清器的座
3 312066 16 312066 固定螺釘
4 2086/010 16 2086/010 彈簧墊片
5 535/203 3 535/203 承接器
6 4324909 3 4324909 機油濾清器
6 SE111B 3 4324909 機油濾清器
7 335/210 1 335/210 堵塞
8 641/26 3 641/26 堵塞
9 335/209 1 335/209 堵塞 墊圈
溫馨提示
我司建立了一套完整的英國Perkins零配件供應體系,全天候快速響應,純正的Perkins配件是您最佳的選擇,因為您所得到的是延長Perkins動力系統壽命的最佳保證。
網頁中公布的Perkins發動機配件號與圖片僅為參考,因 Perkins動力系統零配件型號與技術參數太多,沒能全部展示,如有配件與維修技術資料方面的需求,請與本司的在線客服溝通與交流,希望我們能夠幫您節約更多等待備件時間和維修技術方面的困難。
特別聲明:我司只銷售Perkins原廠配件,需付廠或防品件請繞道,謝謝。