柴油機柴油發電機組卡特彼勒珀金斯配件K656CF02燃料過濾器 T4.20
項目 零配件號碼 最近的部分號碼
1 K656CF02 1 K656CF02 燃料過濾器總成
7 3825 T014 1 3825 T014 托架
8 2314 J003 2 2314 J003 螺旋
10 2318 A604 2 2318 A604 螺帽
4 1 ELEMENT
5 26439031 1 26439031 SEAL - O RING
6 26439030 1 26439030 SEAL - O RING

Item Parts No. Qty. Latest Part No. Description Cut Out Cut In Comment
1 4122C023 1 4122C023 FUEL PIPE
5 33225414 1 33225414 NUT
6 33811114 1 33811114 OLIVE
7 0201500 1 0201500 CONNECTION
8 0095031 1 0095031 BOLT
9 2411156 1 2411156 WASHER
10 2411156 1 2411156 WASHER
11 3443E004 1 3443E004 FUEL PIPE
12 33225414 1 33225414 NUT
13 33811114 1 33811114 OLIVE
14 0201500 1 0201500 CONNECTION
15 0095031 1 0095031 BOLT
16 2411156 1 2411156 WASHER
17 2411156 1 2411156 WASHER
18 33225414 1 33225414 NUT
19 33811114 1 33811114 OLIVE
20 0201502 1 0201502 UNION
21 2411154 1 2411154 WASHER
22 K481FF01 1 K481FF01 CLIP
27 3786A006 1 3786A006 BRACKET

珀金斯柴油發電機組柴油機電子控制模塊系統 T4.20
項目 零配件號碼 最近的部分號碼
1 2666 A011 4 2666 A011 GLOWPLUG
2 M172EF02 3 M172EF02 纜
3 2318 A601 4 2318 A601 螺帽

項目 零配件號碼 最近的部分號碼
2 2848 A042 1 2848 A042 油壓開關
3 2431131 1 2431131 栓塞

項目 零配件號碼 最近的部分號碼
4 2848 A106 1 2848 A106 水溫度開關
5 2411156 1 2411156 墊圈
6 2755 A007 1 2755 A007 水溫度感應器
7 2411156 1 2411156 墊圈

項目 零配件號碼 最近的部分號碼
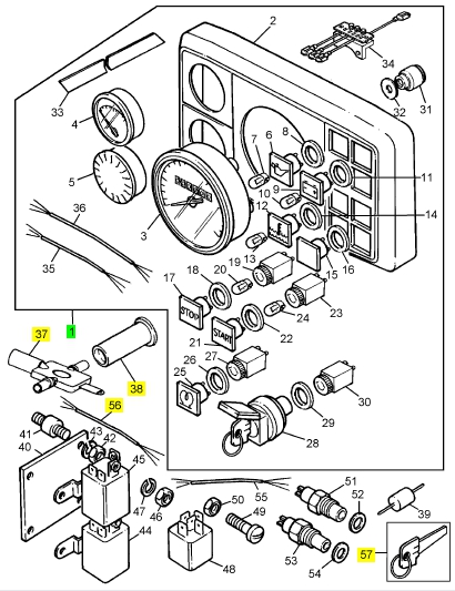
1 4171 A025 1 4171 A025 嵌板
37 21825186 1 21825186 工具
38 21825187 1 21825187 工具
56 4172 V019 1 4172 V021 線束
57 27550019 1 27550019 點火鍵

項目 零配件號碼 最近的部分號碼
2 2755 F021 1 2755 F021 嵌板
3 2755 F051 1 2755 F051 轉速計
4 2755 F031 1 2755 F031 溫度規
5 2755 F041 1 2755 F041 警報
6 2755 F101 1 2755 F101 燈
9 2755 F111 1 2755 F111 燈
12 2755 F121 1 2755 F121 燈
15 2755 F131 1 2755 F131 堵塞蓋
17 2755 F071 1 2755 F071 接觸
19 2755 F142 1 2755 F142 開關
21 2755 F081 1 2755 F081 接觸
23 2755 F142 1 2755 F142 開關
25 2755 F091 1 2755 F091 接觸
27 2755 F141 1 2755 F141 開關
28 2755 F061 1 2755 F061 鎖
30 2755 F141 1 2755 F141 開關
31 2755 F202 8 2755 F202 螺帽
32 2755 F203 8 2755 F203 墊圈
33 2755 F205 1 2755 F205 密封
34 2880 A004 1 2880 A004 嵌板
34 3161 C002 1 3161 C002 嵌板
35 4172 V012 1 4172 V012 線束
35 4172 V022 1 4172 V022 線束
36 4172 P004 1 4172 P004 線束
7 27550016 1 27550016 BULB
8 2755F201 1 2755F201 RING

Item Parts No. Qty. Latest Part No. Description Cut Out Cut In Comment
10 3684U003 1 3684U003 STRIP
11 PF65133 1 4173A001 FUSE
12 2163745 2 2163745 SCREW
13 2131109 2 2131109 WASHER
14 2168519 2 2168519 NUT
15 0920052 2 0920052 WASHER
