威爾信P330E柴油發電機組配件OE50578/1活塞、OE50461/1連桿、KRP3008/010連桿瓦、KRP1251活塞環、OE52353正時齒輪
項目 零配件號碼 最近的部分號碼 描述
1 OE50578/1 6 OE50578/1 活塞裝備
1 OE51880/1 1 OE51880/1 活塞裝備 -特大號
1 OE51881/1 1 OE51881/1 活塞裝備 -高度正等級
1 OE52560/1 1 OE52560/1 活塞裝備
5 KRP1251 6 KRP1251 活塞環裝備
6 OE50461/1 A1 1 OE50461/1 A1 連桿組合 對 9 LB 5 OZ 的 9 LB 4 OZ
6 OE50461/1 A2 1 OE50461/1 A2 連桿組合 對 9 LB 6 OZ 的 9 LB 5 OZ
6 OE50461/1 A3 1 OE50461/1 A3 連桿組合 對 9 LB 7 OZ 的 9 LB 6 OZ
6 OE50461/1 A4 1 OE50461/1 A4 連桿組合 對 9 LB 8 OZ 的 9 LB 7 OZ
6 OE50461/1 B1 1 OE50461/1 B1 連桿組合 對 9 LB 9 OZ 的 9 LB 8 OZ
6 OE50461/1 B2 1 OE50461/1 B2 連桿組合 對 9 LB 10 OZ 的 9 LB 9 OZ
6 OE50461/1 B3 1 連桿組合 對 9 LB 11 OZ 的 9 LB 10 OZ
6 OE50461/1 B4 1 連桿組合 對 9 LB 12 OZ 的 9 LB 11 OZ
6 OE50461/1 C1 1 OE50461/1 C1 連桿組合 對 9 LB 13 OZ 的 9 LB 12 OZ
6 OE50461/1 C2 1 OE50461/1 C2 連桿組合 對 9 LB 14 OZ 的 9 LB 13 OZ
6 OE50461/1 C3 1 連桿組合 對 9 LB 15 OZ 的 9 LB 14 OZ
6 OE50461/1 C4 1 OE50461/1 C4 連桿組合 對 10 LB 0 OZ 的 9 LB 15 OZ
6 OE50461/1 D1 1 OE50461/1 D1 連桿組合 對 10 LB 1 OZ 的 10 LB 0 OZ
6 OE50461/1 D2 1 OE50461/1 D2 連桿組合 對 10 LB 2 OZ 的 10 LB 1 OZ
6 OE50461/1 D3 1 OE50461/1 D3 連桿組合 對 10 LB 3 OZ 的 10 LB 2 OZ
6 OE50461/1 D4 1 OE50461/1 D4 連桿組合 對 10 LB 4 OZ 的 10 LB 3 OZ
6 OE50461/1 E1 1 OE50461/1 E1 連桿組合 對 10 LB 5 OZ 的 10 LB 4 OZ
6 OE50461/1 E2 1 OE50461/1 E2 連桿組合 對 10 LB 6 OZ 的 10 LB 5 OZ
6 OE50461/1 E3 1 OE50461/1 E3 連桿組合 對 10 LB 7 OZ 的 10 LB 6 OZ
6 OE50461/1 E4 1 OE50461/1 E4 連桿組合 對 10 LB 8 OZ 的 10 LB 7 OZ
6 OE50461/1 Y1 1 連桿組合 對 8 LB 13 OZ 的 8 LB 12 OZ
6 OE50461/1 Y2 1 連桿組合 對 8 LB 14 OZ 的 8 LB 13 OZ
6 OE50461/1 Y3 1 連桿組合 對 8 LB 15 OZ 的 8 LB 14 OZ
6 OE50461/1 Y4 1 連桿組合 對 9 LB 0 OZ 的 8 LB 15 OZ
6 OE50461/1 Z1 1 連桿組合 對 9 LB 1 OZ 的 9 LB 0 OZ
6 OE50461/1 Z2 1 連桿組合 對 9 LB 2 OZ 的 9 LB 1 OZ
6 OE50461/1 Z3 1 連桿組合 對 9 LB 3 OZ 的 9 LB 2 OZ
6 OE50461/1 Z4 1 連桿組合 對 9 LB 4 OZ 的 9 LB 3 OZ
6 OE50461/1 6 連桿組合
12 KRP3008/010 1 KRP3008/010 連桿瓦 BRG 裝備 -U/S
12 KRP3008/020 1 KRP3008/020 連桿瓦 BRG 裝備 -U/S
12 KRP3008/030 1 KRP3008/030 連桿瓦 BRG 裝備 -U/S
12 KRP3008/040 1 KRP3008/040 連桿瓦 BRG 裝備 -U/S
12 KRP3008 1 KRP3008 連桿瓦橋承裝備
13 OE50535 6 OE50535 噴射
14 ST10529 6 ST10529 密封 - O 的圈
15 ST33298 6 ST33298 彈簧銷
16 UF1501 6 UF1501 螺拴
17 0920053 6 0920053 墊圈
Item Parts No. Qty. Latest Part No. Description Cut Out Cut In Comment
1 OE50578/1 6 OE50578/1 PISTON KIT
1 OE51880/1 1 OE51880/1 PISTON KIT - OVERSIZE
1 OE51881/1 1 OE51881/1 PISTON KIT - HEIGHT GRADED
1 OE52560/1 1 OE52560/1 PISTON KIT
5 KRP1251 6 KRP1251 PISTON RING KIT
6 OE50461/1A1 1 OE50461/1A1 CON ROD ASSEMBLY 9LB 4OZ TO 9LB 5OZ
6 OE50461/1A2 1 OE50461/1A2 CON ROD ASSEMBLY 9LB 5OZ TO 9LB 6OZ
6 OE50461/1A3 1 OE50461/1A3 CON ROD ASSEMBLY 9LB 6OZ TO 9LB 7OZ
6 OE50461/1A4 1 OE50461/1A4 CON ROD ASSEMBLY 9LB 7OZ TO 9LB 8OZ
6 OE50461/1B1 1 OE50461/1B1 CON ROD ASSEMBLY 9LB 8OZ TO 9LB 9OZ
6 OE50461/1B2 1 OE50461/1B2 CON ROD ASSEMBLY 9LB 9OZ TO 9LB 10OZ
6 OE50461/1B3 1 Check History CON ROD ASSEMBLY 9LB 10OZ TO 9LB 11OZ
6 OE50461/1B4 1 Check History CON ROD ASSEMBLY 9LB 11OZ TO 9LB 12OZ
6 OE50461/1C1 1 OE50461/1C1 CON ROD ASSEMBLY 9LB 12OZ TO 9LB 13OZ
6 OE50461/1C2 1 OE50461/1C2 CON ROD ASSEMBLY 9LB 13OZ TO 9LB 14OZ
6 OE50461/1C3 1 Check History CON ROD ASSEMBLY 9LB 14OZ TO 9LB 15OZ
6 OE50461/1C4 1 OE50461/1C4 CON ROD ASSEMBLY 9LB 15OZ TO 10LB 0OZ
6 OE50461/1D1 1 OE50461/1D1 CON ROD ASSEMBLY 10LB 0OZ TO 10LB 1OZ
6 OE50461/1D2 1 OE50461/1D2 CON ROD ASSEMBLY 10LB 1OZ TO 10LB 2OZ
6 OE50461/1D3 1 OE50461/1D3 CON ROD ASSEMBLY 10LB 2OZ TO 10LB 3OZ
6 OE50461/1D4 1 OE50461/1D4 CON ROD ASSEMBLY 10LB 3OZ TO 10LB 4OZ
6 OE50461/1E1 1 OE50461/1E1 CON ROD ASSEMBLY 10LB 4OZ TO 10LB 5OZ
6 OE50461/1E2 1 OE50461/1E2 CON ROD ASSEMBLY 10LB 5OZ TO 10LB 6OZ
6 OE50461/1E3 1 OE50461/1E3 CON ROD ASSEMBLY 10LB 6OZ TO 10LB 7OZ
6 OE50461/1E4 1 OE50461/1E4 CON ROD ASSEMBLY 10LB 7OZ TO 10LB 8OZ
6 OE50461/1Y1 1 Check History CON ROD ASSEMBLY 8LB 12OZ TO 8LB 13OZ
6 OE50461/1Y2 1 Check History CON ROD ASSEMBLY 8LB 13OZ TO 8LB 14OZ
6 OE50461/1Y3 1 Check History CON ROD ASSEMBLY 8LB 14OZ TO 8LB 15OZ
6 OE50461/1Y4 1 Check History CON ROD ASSEMBLY 8LB 15OZ TO 9LB 0OZ
6 OE50461/1Z1 1 Check History CON ROD ASSEMBLY 9LB 0OZ TO 9LB 1OZ
6 OE50461/1Z2 1 Check History CON ROD ASSEMBLY 9LB 1OZ TO 9LB 2OZ
6 OE50461/1Z3 1 Check History CON ROD ASSEMBLY 9LB 2OZ TO 9LB 3OZ
6 OE50461/1Z4 1 Check History CON ROD ASSEMBLY 9LB 3OZ TO 9LB 4OZ
6 OE50461/1 6 Check History CON ROD ASSEMBLY
12 KRP3008/010 1 KRP3008/010 BIG END BRG KIT - U/S
12 KRP3008/020 1 KRP3008/020 BIG END BRG KIT - U/S
12 KRP3008/030 1 KRP3008/030 BIG END BRG KIT - U/S
12 KRP3008/040 1 KRP3008/040 BIG END BRG KIT - U/S
12 KRP3008 1 KRP3008 BIG END BEARING KIT
13 OE50535 6 OE50535 JET
14 ST10529 6 ST10529 SEAL - O RING
15 ST33298 6 ST33298 SPRING PIN
16 UF1501 6 UF1501 BOLT
17 0920053 6 0920053 WASHER
Item Parts No. Qty. Latest Part No. Description Cut Out Cut In Comment
2 1 PISTON
3 1 GUDGEON PIN
4 OE9714I 1 OE9714I CIRCLIP
4 OE9714 1 OE9714I CIRCLIP
5 OE9714I 1 OE9714I CIRCLIP
5 OE9714 1 OE9714I CIRCLIP
Item Parts No. Qty. Latest Part No. Description Cut Out Cut In Comment
7 1 ROD
8 1 CAP
9 OE50463 1 OE50463 SMALL END BUSH
10 OE23311 2 OE23311 CON ROD BOLT
11 OE3735 2 OE3735 CON ROD NUT

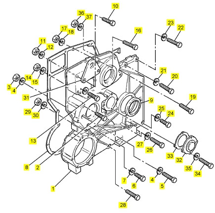
項目 零配件號碼 最近的部分號碼 描述
1 OE52353 1 OE52353 正時齒輪箱
2 UF1575 1 UF1575 螺拴
3 UF4355 2 UF4355 螺帽
4 ST16260 2 0920054 墊圈
5 UF1574 1 UF1574 螺拴
6 UF1622 1 UF1622 螺拴
7 ST16261 1 0920055 墊圈
8 OE51203 1 OE51203 密合墊 - 時間安排的箱
9 OE50254 1 OE50254 密封 -前面端油
10 UF1763 2 UF1763 螺拴
11 UF4359 2 UF4359 UNF 螺帽
12 ST16264 2 ST16264 墊圈
13 UF1762 2 UF1762 螺拴
14 UF4359 2 UF4359 UNF 螺帽
15 ST16264 2 ST16264 墊圈
16 UF1566 1 UF1566 固正螺釘
17 UF4355 1 UF4355 螺帽
18 ST16260 1 0920054 墊圈
19 UF1513 1 UF1513 螺拴
20 UF1612 1 UF1612 固正螺釘
21 ST16261 1 0920055 墊圈
22 UF1609 1 UF1609 固正螺釘
23 ST16261 1 0920055 墊圈
24 UF1615 1 UF1615 螺拴
25 ST16261 1 0920055 墊圈
26 0746601 2 0746601 螺旋
27 ST16261 2 0920055 墊圈
28 UF1517 1 UF1517 螺拴
29 UF4354 2 UF4354 螺帽
30 ST16259 1 0920053 墊圈
31 OE50947 1 OE50947 眼圈
32 OE47657 1 OE47657 蓋
33 OE50897 1 OE50897 密合墊
34 UF1501 4 UF1501 螺拴
35 ST16259 4 0920053 墊圈
36 UF4354 1 UF4354 螺帽
37 0920053 1 0920053 墊圈
Item Parts No. Qty. Latest Part No. Description Cut Out Cut In Comment
1 OE52353 1 OE52353 TIMING GEAR CASE
2 UF1575 1 UF1575 BOLT
3 UF4355 2 UF4355 NUT
4 ST16260 2 0920054 WASHER
5 UF1574 1 UF1574 BOLT
6 UF1622 1 UF1622 BOLT
7 ST16261 1 0920055 WASHER
8 OE51203 1 OE51203 GASKET - TIMING CASE
9 OE50254 1 OE50254 SEAL - FRONT END OIL
10 UF1763 2 UF1763 BOLT
11 UF4359 2 UF4359 UNF NUT
12 ST16264 2 ST16264 WASHER
13 UF1762 2 UF1762 BOLT
14 UF4359 2 UF4359 UNF NUT
15 ST16264 2 ST16264 WASHER
16 UF1566 1 UF1566 SETSCREW
17 UF4355 1 UF4355 NUT
18 ST16260 1 0920054 WASHER
19 UF1513 1 UF1513 BOLT
20 UF1612 1 UF1612 SETSCREW
21 ST16261 1 0920055 WASHER
22 UF1609 1 UF1609 SETSCREW
23 ST16261 1 0920055 WASHER
24 UF1615 1 UF1615 BOLT
25 ST16261 1 0920055 WASHER
26 0746601 2 0746601 SCREW
27 ST16261 2 0920055 WASHER
28 UF1517 1 UF1517 BOLT
29 UF4354 2 UF4354 NUT
30 ST16259 1 0920053 WASHER
31 OE50947 1 OE50947 EYE
32 OE47657 1 OE47657 COVER
33 OE50897 1 OE50897 GASKET
34 UF1501 4 UF1501 BOLT
35 ST16259 4 0920053 WASHER
36 UF4354 1 UF4354 NUT
37 0920053 1 0920053 WASHER
