操作和保養手冊
1204E-E44TA 和 1204E-E44TTA 工業發動
機
MK(發動機)
ML(發動機)
This document has been printed from SPI2. NOT FOR RESALE
![]()
![]()
![]()
![]()

重要安全事項
產品的操作、保養和修理中的大多數事故,都是由于不遵守基本安全規則或預防措施引起的。若能在事
故發生前認識到各種潛在危險,事故往往是可以避免的。對各種潛在的危險,必須對工作人員提出警
告。還必須對工作人員進行培訓,使其掌握必要的技能和正確使用工具。
不正確的操作、潤滑、保養或修理產品是危險的,并會造成人身傷亡。
必須閱讀和理解產品的操作、潤滑、保養和修理的資料后,才可進行這些工作。
在本手冊中和在產品上都提供有安全預防措施和警告。如果對這些警告不予注意,會給自己或他人
造成人身傷亡。
識別危險用“安全警告符號”和“標志文字”,如“危險”、“警告” 或 “當心”。“警告” 標貼如下所示。
安全警告符號的含義如下:
注意!提高警惕! 事關您的安全。
警告的下面,說明危險的情況,有的用文字書寫,有的用圖形表示。
對能造成產品損壞的操作,在產品上和在本手冊中都以“注意”標貼表示。
� � � � 不能預料到可能發生危險的每一種情況。所以,本手冊和產品上提出的警告并不包括所有
情況。如果采用的工具、操作程序、工作方法或操作技術未經 Perkins 專門推薦,您必須保障您自己和
他人的安全。還要保證您所選擇的操作方法、潤滑、保養或修理程序不會損壞產品或造成不安全。
本手冊中的資料、技術規范和圖表是根據編寫當時可得到的資料匯編的。 所列舉的技術規范、扭矩、壓
力、測量值、調整值、圖表和其它項目,隨時都可能變更, 這些變更會影響對產品的維修。因此,在進
行各項作業前,必須獲得完整的最新的資料。 � � � � 代理商備有最新的資料。
本產品需要更換零件時, � � � � 推薦使用
Perkins 原廠生產的零件或者相同技術規范的零
件。相同的技術規范包括,但不局限于外形尺寸、
類型、強度和材料。
忽視此警告會導致過早發生故障、產品損壞甚至人
員傷亡。
This document has been printed from SPI2. NOT FOR RESALE
![]()
![]()
![]()
保養部分
SCBU8605
3
目錄
目錄
加注容量........................................................56
保養建議........................................................68
保養周期表.....................................................70
保修部分
前言..................................................................4
安全部分
安全標志..........................................................5
一般危險信息...................................................7
防止燙傷........................................................10
防火與防爆.....................................................11
防止壓傷和割傷.............................................12
上、下設備.....................................................13
高壓燃油管.....................................................13
起動發動機前..................................................14
發動機起動.....................................................14
發動機停機.....................................................15
電氣系統........................................................15
發動機電子裝置.............................................16
產品信息資料部分
保修信息資料................................................100
參考資料部分
參考資料......................................................104
索引部分
索引..............................................................105
機型視圖說明..................................................17
產品識別信息資料..........................................26
操作部分
起吊和貯存.....................................................29
儀表和指示燈..................................................32
功能部件和控制裝置......................................34
發動機診斷.....................................................43
發動機起動.....................................................48
發動機運行.....................................................51
發動機停機.....................................................52
寒冷天氣操作..................................................53
This document has been printed from SPI2. NOT FOR RESALE
![]()
前言
4
SCBU8605
前言
保養周期
進行保養時,應同時做比該次規定時間間隔小的
前幾級的保養項目。我們建議復制一份保養計劃
表并展示在發動機附近,作為一種方便的提醒。
我們還建議將保養紀錄作為發動機永久性記錄的
一部分保存好。
文獻資料
本手冊包含安全事項、操作說明、潤滑和保養資
料。本手冊應存放在靠近發動機的一個文件夾內
或文件存放處。閱讀、分析本手冊并將它與文件
和發動機資料放在一起。
Perkins特約代理商或Perkins分銷商能夠幫助
您根據機器的運行環境的需要來調整您的保養計
劃。
英語是所有Perkins出版物的主要語言。使用英
語便于翻譯并保持一致。
大修
本手冊中的某些照片和圖示上顯示的細節或選裝
部件可能與您發動機上的有所不同。為了說明方
便,一些護罩和蓋板可能已經拿掉。產品設計的
不斷改進和發展可能對發動機有所改變,而這些
改變可能未編入本手冊中。當您對發動機或本手
冊有任何疑問時,請向您的Perkins代理商或
Perkins分銷商咨詢最新的資料。
除了大修時間和在此周期時的保養項目外,在操
作和保養手冊中沒有發動機大修的細節。只有
Perkins授權的人員才能進行大修。Perkins代
理商和Perkins分銷商可以提供大修程序的多種
方案。如果遇到重大的發動機故障時,還有許多
故障后大修的選擇方案。與Perkins代理商或
Perkins分銷商聯系以獲得這些方案。
安全
加利福尼亞州65號提案中的警告
安全部分列出了基本的安全注意事項。此外,本
部分還標出了各種危險情況和警告內容。在操
作、潤滑、保養和修理本發動機以前,要閱讀和
理解列在安全部分上的基本注意事項。
加利福尼亞州認為,柴油發動機排氣及其中的某
些成分會致癌,引起生育缺陷和其它生殖方面的
危害。蓄電池接線柱、端子和相關的附件中含有
鉛和鉛化合物。接觸后要洗手。
操作
在本手冊中指出的操作方法是最基本的。它們能
幫助操作人員提高技術和技能從而更有效、更經
濟地運轉發動機。當操作人員獲得發動機知識和
掌握其性能后,操作技巧和方法將得到提高。
操作部分是供操作人員參考的,各種照片和圖示
指導操作人員進行發動機的檢查、起動、運行和
停機。本部分還包含電子診斷方面的論述。
保養
保養部分是對發動機維護的指南。附有插圖的逐
步說明是按工作小時和(或)日歷時間保養周期
編排的。保養周期表中的項目參閱后面的詳細說
明。
應按保養周期表中指出的相應間隔期進行推薦的
保養。發動機的實際工作環境也會影響保養周
期。因此,在極度惡劣、多塵、潮濕或冰凍的寒
冷條件下運轉,可能需要比保養周期表中規定的
潤滑和保養次數多。
保養計劃中的保養項目是按預防性保養管理程序
編制的。如果遵照預防性保養管理程序進行保
養,那就不需要進行定期調整。履行預防性保養
管理程序,由于減少了計劃外停機和故障造成的
費用損失,將使運行成本降到最低。
This document has been printed from SPI2. NOT FOR RESALE
![]()
SCBU8605
5
安全部分
安全標志
安全部分
i06146230
安安全全標標志志
在發動機上可能有幾個特殊的警告標志。本部分
回顧這些警告標志的確切位置和描述。請熟悉所
有安全標志。
請確保所有安全標志都很清晰易讀。如果警告標
志的說明文字或插圖無法辨識,請清潔或更換。
用抹布、水和肥皂清洗警告標志。不要使用溶
劑、汽油和其它刺激性化學制品。溶劑、汽油或
刺激性化學制品可能會使粘貼安全標志的粘著劑
喪失粘性。松動的警告標志可能從發動機上脫
落。
更換所有損壞或丟失的警告標志。如果有警告標
志貼在了被更換的零件上,應在替換零件上粘貼
新的警告標志。您的Perkins經銷商可為您提
供新新警告標志。
(1) 通用警告
在在閱閱讀讀和和了了解解《《操操作作和和保保養養手手冊冊》》中中的的指指示示和和警警告告
之之前前,,請請勿勿操操作作機機器器。。不不遵遵守守這這些些警警告告,,可可能能會會導導
致致人人身身傷傷亡亡。。
圖1
g01154807
典型示例
通用警告標簽 (1)位于兩個位置。警告標簽位于
氣門機構罩蓋的右后側,并位于NOx還原系統
(NRS)的頂部。
This document has been printed from SPI2. NOT FOR RESALE
![]()
![]()
![]()

![]()
![]()
6
SCBU8605
安全部分
安全標志
圖2
g02406137
(1)通用警告
(2)手(高壓)
接觸高壓燃油可能導致液體滲透和燒傷危險。高壓
燃油溢出可能會產生火災。如果不遵循檢查、保養
和維修指南,可能會造成人身傷亡。
圖3
g02382677
典型示例
This document has been printed from SPI2. NOT FOR RESALE

![]()
![]()

![]()
![]()
![]()
SCBU8605
7
安全部分
一般危險信息
圖5
g01154809
典型示例
i06146244
一一般般危危險險信信息息
圖4
g02406178
(2)手(高壓)
手(高壓)(2)的警告標簽是一個安裝在高壓燃
油管上的包覆式標簽。
乙醚警告
乙醚警告標簽將安裝在空氣濾清器上或空氣濾清
器附近。位置取決于應用。
圖6
g00037887
維修或修理發動機以前,在起動開關或控制裝置
上掛一個 “不準操作”的警告標簽或類似的警告標
簽。在發動機和每個操作員操控臺上都掛上警告
標簽。必要時,斷開起動控制裝置。
不不要要使使用用類類似似乙乙醚醚的的噴噴霧霧劑劑輔輔助助起起動動。。否否則則可可能能導導
致致爆爆炸炸和和人人身身傷傷害害。。
當保養發動機時,任何未經許可的人員不得在發
動機上或發動機周圍。
This document has been printed from SPI2. NOT FOR RESALE
![]()
![]()

![]()
![]()
![]()

![]()
![]()

![]()
![]()
8
SCBU8605
安全部分
一般危險信息
•篡改發動機的裝置或篡改OEM提供的接線是危險
的。可能會引起人身傷害、財物損壞或造成發動
機損壞。
發動機排氣含有可能對人體有害的燃燒產物。一
定要在通風良好的地方起動和運行發動機。如果
發動機處于封閉區域,應將發動機廢氣排到外面
去。
•當發動機運行在封閉場所時,應將發動機排氣排放
到室外。
小心拆卸下列零件。為了防止壓力液體的噴濺,
拿一塊布蓋在被拆零件上。
•如果發動機不在運轉狀態,不要釋放輔助制動或停
車制動系統,除非車輛被阻塞或限制而無法移動。
•加注口蓋
•黃油嘴
•測壓口
•呼吸器
•排放螺塞
•請按要求戴上安全帽、護目鏡和其他保護裝備。
•在運轉的發動機周圍工作時,為了防止損傷聽力,
應佩帶聽覺防護裝備。
•不要穿寬松的衣服或佩帶首飾,因為它們可能勾住
控制裝置或發動機的其他零件。
拆卸蓋板時要小心。逐漸松開但不拆卸位于蓋板
或裝置上相對兩端的最后兩個螺栓或螺母。在拆
下最后兩個螺栓或螺母之前,將蓋撬松,以便釋
放彈簧壓力或其他壓力。
•請確保所有護板和罩蓋都固定在發動機的正確位置
上。
•切勿將保養液體倒入玻璃容器內。因為玻璃容器
容易破碎。
•小心使用所有清洗溶液。
•報告所有必要的修理。
除非另有說明,否則應在下列情況下進行保養:
•發動機停機。確保發動機不能起動。
•保護鎖定裝置或控制裝置應處于起作用位置。
•接合輔助制動器或停車制動器。
•進行保養或維修之前,阻塞或限制住車輛,使其不
能移動。
圖7
g00702020
•在進行保養時或維修電氣系統時,要斷開蓄電池。
斷開蓄電池接地導線。用膠帶包住導線以防止火
花產生。
•請按要求戴上安全帽、護目鏡和其他保護裝備。
•在運轉的發動機周圍工作時,為了防止損傷聽力,
應佩帶聽覺防護裝備。
•斷開位于氣門室蓋底座上的單體噴油器接頭。這
將有助于防止單體噴油器的高電壓對人身造成傷
害。發動機運轉時,不要接觸單體噴油器接線端
子。
•不要穿寬松的衣服或佩帶首飾,因為它們可能勾住
控制裝置或發動機的其他零件。
•不要試圖在發動機運轉時進行任何維修或調整。
•請確保所有護板和罩蓋都固定在發動機的正確位置
上。
•不要試圖修理您不了解的東西。使用適當的工
具。更換或修理損壞的設備。
•切勿將保養液體倒入玻璃容器內。因為玻璃容器
容易破碎。
•對于初次起動的新發動機或維修后的發動機,應做
好發生超速時的進行停機操作的準備。通過切斷
發動機的供油和/或供氣可以實現這一點。
•小心使用所有清洗溶液。
•報告所有必要的修理。
•應從操作員操作臺(駕駛室)起動發動機。決不
要靠短接起動馬達端子或蓄電池來起動發動機。
這樣做會旁通發動機空檔起動系統和/或電氣系統
可能會受到損壞。
除非另有說明,否則應在下列情況下進行保
養:
This document has been printed from SPI2. NOT FOR RESALE
![]()

![]()
![]()
SCBU8605
9
安全部分
一般危險信息
•發動機停機。確保發動機不能被起動。
盛裝泄漏的液體
•在進行保養時或維修電氣系統時,要斷開蓄電池。
斷開蓄電池接地導線。用膠帶包住導線以防止火
花產生。
注意
在檢查、保養、測試、調整及維修產品時,請小心確
保盛接油液。 在打開任何艙室或拆卸任何含有油液的
部件前,請準備好盛接液體用的適當容器。
•不要試圖修理您不了解的東西。使用適當的工
具。更換或修理損壞的設備。
按照本地法規和要求處置所有油液。
壓縮空氣和加壓水
石棉資料
壓縮空氣和/或加壓水可將碎屑和/或熱水吹出
來。這可能會導致人身傷害。
使用壓縮空氣和/或加壓水進行清洗時,請穿戴
防護衣、防護鞋和眼部護具。眼部護具包括護目
鏡及防護面罩。
用于清理的最大氣壓一定要低于205kPa
(30psi)。用于清潔的最大水壓一定要低于
275kPa(40psi)。
液體穿透
即使發動機已經熄火很久,液壓回路中仍可能滯
留壓力。如果沒有正確地釋放壓力,會導致液壓
油或管塞之類的物體高速射出。
在釋放壓力之前,不可拆卸任何液壓零部件,否
則會造成人身傷害。在釋放壓力之前,不可拆解
任何液壓零部件,否則會造成人身傷害。有關釋
放液壓壓力所需的任何步驟,請參閱OEM資料。
圖9
g00702022
從Perkins出廠的Perkins更換零件不含石
棉。Perkins建議只使用原裝Perkins更換零
件。當您處理任何含有石棉的替換零件或石棉屑
時,請遵循下列準則。
請小心謹慎。避免吸入在處理含有石棉纖維的零
件時可能產生的粉末。吸入該粉塵可能有害您的
健康。可能含有石棉纖維的零件包括:制動器磨
擦片、制動器制動帶、襯墊材料、離合器磨擦片
和一些密封墊。在這些零件中的石棉纖維,通常
是浸漬在樹脂中或是用某種方法密封起來的。除
非產生的石棉灰塵飄浮在空中,否則一般的處理
方式是無害的。
如果出現可能含有石棉的粉塵時,應該遵循下列
的指引:
圖8
g00687600
請務必使用木板或硬紙板來檢查泄漏。在壓力下
所噴出的液體可能會穿透人體組織。液體穿透進
入身體會造成嚴重的人身傷害,甚至可能導致死
亡。即使是一個針孔大小的泄漏,也可能導致嚴
重的人身傷害。如果油液噴射進您的皮膚,必須
立刻治療。要找熟悉這類創傷的醫生來治療。
This document has been printed from SPI2. NOT FOR RESALE
![]()
![]()
![]()

![]()
![]()

![]()
![]()
10
SCBU8605
安全部分
防止燙傷
•切勿使用壓縮空氣來清理。
•避免擦刷含有石棉的材料。
•避免打磨含有石棉的材料。
•以濕法去清理石棉材料。
在斷開任何相關物品之前,要釋放下列系統、液
壓系統、潤滑系統、燃油系統和冷卻液系統中的
全部壓力。
接接觸觸高高壓壓燃燃油油可可能能導導致致液液體體滲滲透透和和燒燒傷傷危危險險。。高高壓壓
燃燃油油溢溢出出可可能能會會產產生生火火災災。。如如果果不不遵遵循循檢檢查查、、保保養養
和和維維修修指指南南,,可可能能會會造造成成人人身身傷傷亡亡。。
•也可使用配備有高效空氣顆粒濾清器(HEPA)的真
空吸塵器來清理。
•長期進行機加工作業時,使用排氣通風裝置。
發動機停機后,在對發動機的燃油管進行任何維
修或修理之前,必須等待10分鐘以便釋放高壓
燃油管中的燃油壓力。
•如果沒有其他方法控制粉塵,應戴上有效的防塵面
具。
•遵守為工作地點所適用的規章和制度。在美國,
應符合職業安全與健康管理局(OSHA)的要求。
這些職業安全與健康管理局(OSHA)的要求可在
29CFR1910.1001中找到。
斷開任何管路、管接頭或相關部件前,允許排出
空氣系統、液壓系統、潤滑系統或冷卻系統中的
壓力。
進氣系統
•請遵守環保法規處置石棉廢棄物。
•遠離空氣中可能有石棉微粒的場所。
硫硫酸酸燒燒傷傷危危險險可可能能導導致致嚴嚴重重的的人人身身傷傷亡亡。。
適當地處置廢棄物
廢廢氣氣冷冷卻卻器器中中可可能能含含有有少少量量硫硫酸酸。。使使用用硫硫含含量量大大于于
1515ppppmm的的燃燃油油會會增增加加生生成成的的硫硫酸酸量量。。對對發發動動機機進進行行
保保養養時時,,硫硫酸酸可可能能會會從從冷冷卻卻器器中中濺濺出出。。接接觸觸硫硫酸酸會會
燒燒傷傷眼眼睛睛、、皮皮膚膚和和衣衣服服。。一一定定要要佩佩戴戴硫硫酸酸材材料料安安全全
數數據據表表(M(MSDSDS))上上規規定定的的適適用用個個人人防防護護設設備備(P(PPPE)E)。
一一定定要要遵遵照照硫硫酸酸材材料料安安全全數數據據表表(M(MSDSDS))上上規規定定的的
急急救救說說明明。。
冷卻液
發動機處于工作溫度時,發動機的冷卻液是熱
的,而且處于壓力下。水箱和通向加熱器或發
動機的所有管道內都有熱的冷卻液。
觸摸熱的冷卻液或蒸汽都會造成嚴重燙傷。泄放
冷卻系統以前,讓冷卻系統部件先冷卻下來。
圖10
g00706404
在發動機停機和冷卻后,檢查冷卻液液位。
不適當地處理廢棄物會對環境造成威脅。請按當
地法規來處理可能會有危害的液體。
確保加液口蓋冷卻后再將其打開。蓋溫必須達到
徒手可以觸摸的溫度。慢慢拆下加注口蓋,以便
釋放壓力。
使用防漏容器來盛裝排出的液體。切勿將廢棄物
傾倒在地面上、排水管中或任何水源里。
冷卻系統添加劑含堿。堿性物質會造成人身傷
害。不要讓堿接觸皮膚,也不要讓其進入眼睛或
嘴。
i06146264
防防止止燙燙傷傷
機油
熾熱油和熾熱的潤滑部件會造成人身傷害。不要
讓熾熱的機油接觸皮膚。同時,不要讓熾熱的部
件與皮膚接觸。
不要觸摸運轉中的發動機系統的任何部位。在正
常運轉條件下,發動機、排氣和發動機后處理系
統的表面溫度會高達約600°C(1112°F)。
在進行任何保養之前,要讓發動機系統先冷卻下
來。
This document has been printed from SPI2. NOT FOR RESALE
![]()
![]()
![]()

![]()
![]()
![]()
![]()
SCBU8605
11
安全部分
防火與防爆
蓄電池
禁止在裝有易燃液體的管路或油箱上進行焊接。
禁止在裝有易燃液體的管路或油箱上進行火焰切
割。在焊接或火焰切割這些管路或油箱前,先用
不可燃的溶劑徹底將其清洗。
電解液是酸性的,電解液會造成人身傷害。避
免電解液接觸皮膚或眼睛。保養蓄電池時一定要
戴防護眼鏡。接觸了蓄電池和接線柱后要洗手。
建議使用手套。
導線必須保持在良好狀態。所有電線都必須正確
布設并牢固連接。每天檢查所有的電線。請在
運轉發動機之前修復松動或磨損的電線。清潔并
緊固所有線路接頭。
i06146269
防防火火與與防防爆爆
去掉所有無關的或不必要的導線。不要使用比推
薦規格小的導線或電纜。不得將任何保險絲和/
或斷路器旁通短接。
電弧或火花會引起火災。牢固連接、按照推薦布
設的線路和正確保養的蓄電池電纜有助于防止產
生電弧和火花。
接接觸觸高高壓壓燃燃油油可可能能導導致致液液體體滲滲透透和和燒燒傷傷危危險險。。高高壓壓
燃燃油油溢溢出出可可能能會會產產生生火火災災。。如如果果不不遵遵循循檢檢查查、、保保養養
和和維維修修指指南南,,可可能能會會造造成成人人身身傷傷亡亡。。
發動機停機后,在對發動機的燃油管進行任何維
修或修理之前,必須等待10分鐘以便釋放高壓
燃油管中的燃油壓力。
圖11
g00704000
確保發動機停轉。檢查所有的管路和軟管有無磨
損或老化。軟管必須布設正確。管路和軟管必
須有適當的支撐或牢固的管夾。
所有的燃油、大多數的潤滑油和某些冷卻液混合
物都是易燃品。
機油濾清器和燃油濾清器必須安裝正確。濾清器
殼體必須擰緊到正確的扭矩。有關更多信息,請
參閱拆解和裝配手冊。
易燃液體滲漏或濺到熾熱表面或電器部件上時,
可能引起火災。火災會引起人身傷害和財產損
失。
操作緊急停止按鈕后,務必等待15分鐘,然后
才能取下發動機罩。
確定發動機是否在可燃氣體可被吸入進氣系統的
環境下運行。這些氣體會造成發動機超速。這
可能會導致人身傷害、財產損失或發動機損壞。
如果應用類型涉及存在可燃氣體的情況,請咨詢
您的Perkins代理商和/或Perkins分銷商,以
獲得關于適當防護裝置的更多資料。
清除發動機上的所有易燃或導電材料,例如燃
油、機油和碎屑。禁止在發動機上堆積任何易燃
或導電材料。
將燃油和潤滑劑裝入正確標記的容器內,并存放
在遠離未經授權人員的位置。將油布和其他易燃
物存放在保護性的容器內。切勿在存放易燃物的
場所吸煙。
不得讓發動機暴露在任何明火之下。
如果管路、管道和密封件損壞,排氣管隔熱板
(如有配備)可以保護熱的排氣管部件不被機油
或燃料的噴射到。排氣隔熱板必須正確安裝。
This document has been printed from SPI2. NOT FOR RESALE
![]()
![]()

![]()
![]()
![]()
12
SCBU8605
安全部分
防止壓傷和割傷
跨接電纜連接不當可能會引起爆炸,造成人身傷
害。有關具體的說明,請參考本手冊的操作部
分。
不得給凍結的蓄電池充電。這樣做會引起爆炸。
蓄電池必須保持清潔。每個電池柵格單元都必須
蓋好蓋子(如有配備)。在發動機運轉時,要使
用推薦的電纜、接頭和蓄電池箱蓋。
滅火器
確保備有滅火器供使用。要熟悉滅火器的使用方
法。經常檢修滅火器。遵從指示板上的說明。
管路、管道和軟管
請勿將高壓管線彎折。請勿敲擊高壓管線。請
勿安裝任何受損的管路。
泄漏會造成火災。請與您的Perkins代理商或
Perkins分銷商聯系以獲取更換零件。
圖12
g00704059
若出現下列任何一種情況,請更換零件:
•高壓燃油管或管已拆下。
•端接頭損壞或滲漏。
•外層有磨損或割傷。
•金屬線暴露在外。
向發動機加燃油的時候要小心謹慎。不要在向發
動機加燃油的時候吸煙。也不要在靠近明火或火
花的地方向發動機加燃油。切記加燃油前將發動
機熄火。
•外層鼓包隆起。
•軟管扭曲。
•鎧裝護套嵌入外層。
•端接頭移位。
確保所有管夾、防護板和隔熱罩安裝正確。這有
助于防止發動機工作時的振動、零部件間的相互
摩擦以及過量生熱。
i03018585
防防止止壓壓傷傷和和割割傷傷
在部件下面工作時,部件應有可靠的支撐。
圖13
g00704135
如果沒有提供另外的保養說明,在發動機運轉
時,切勿試圖進行調整。
蓄電池散發出來的氣體能引起爆炸。讓明火或火
花遠離蓄電池的頂部。不要在蓄電池充電的場所
吸煙。
避開所有轉動部件和運動部件。直到進行保養時
再拿掉保護罩。保養結束后重新裝上護罩。
不得采用將金屬物體跨接在接線端子上的辦法來
檢查蓄電池的充電情況。必須使用電壓表或比重
計。
將物件遠離轉動的風扇葉片。風扇葉片會拋出或
切割物件。
敲擊物件時,要戴護目鏡,以免傷及眼睛。
This document has been printed from SPI2. NOT FOR RESALE
![]()

![]()
![]()

![]()
![]()
SCBU8605
13
安全部分
上、下設備
在敲擊物件時,碎片或其它碎屑會四處飛散。敲
擊物件之前,應確保周圍無人會被飛出的碎屑擊
傷。
i05304144
上上、、下下設設備備
不要爬上發動機或發動機后處理系統。發動機和
后處理系統未設計有安裝或拆卸位置。
請參閱OEM信息以了解在具體應用中手和腳應抓
住哪些位置。
i06146261
高高壓壓燃燃油油管管
接接觸觸高高壓壓燃燃油油可可能能導導致致液液體體滲滲透透和和燒燒傷傷危危險險。。高高壓壓
燃燃油油溢溢出出可可能能會會產產生生火火災災。。如如果果不不遵遵循循檢檢查查、、保保養養
和和維維修修指指南南,,可可能能會會造造成成人人身身傷傷亡亡。。
圖14
g02067853
(1)高壓管
(2)高壓管
(3)高壓管
(4)高壓管
(5)高壓燃油歧管(油軌)
(6)高壓管
(7)燃油輸油管高壓
This document has been printed from SPI2. NOT FOR RESALE
![]()

![]()
![]()
![]()
14
SCBU8605
安全部分
起動發動機前
高壓燃油管是指高壓燃油泵和高壓燃油歧管之間
的燃油管以及燃油歧管和缸蓋之間的燃油管。這
些燃油管與其它燃油系統上的燃油管不同。
發動機超速應該自動關機,它是電子控制的。如
果自動關機不自動執行,按下緊急停車按鈕以切
斷供向發動機的燃油和/或空氣。
這些不同是由下列項目引起的:
•高壓燃油管始終充滿高壓。
檢查發動機有無潛在危險。
起動發動機前,確保發動機上面、下面或附近無
人。確保周圍沒有任何人員。
•高壓燃油管的內部壓力比其他類型的燃油系統要
高。
如有配備,確保用于發動機的照明系統適合于工
況條件。如有配備,確保所有照明燈工作正常。
•高壓燃油管首先經過加工成型,然后按照特殊工藝
進行加固。
如果必須起動發動機進行維修作業,必須安裝好
所有保護罩、蓋。為了預防旋轉件引起事故,在
轉動件周圍工作要小心。
不要踩踏高壓燃油管。不要偏轉高壓燃油管。
不要彎曲或敲擊高壓燃油管。高壓燃油管的變形
或損壞可能導致形成薄弱點和潛在故障。
不要旁通自動關斷電路。不要使自動關斷電路不
起作用。這種電路的設置是為了防止人身傷害。
同時也可防止發動機損壞。
不要在發動機或起動馬達運行時檢查高壓燃油
管。發動機停止后,等待10分鐘以便排除高壓
燃油管中的燃油壓力。進行任何維護或修理前。
有關修理和調整的資料,請參閱維修手冊。
不要松開高壓燃油管來排出燃油系統的空氣。該
步驟并不是必需的。
i06146252
發發動動機機起起動動
在發動機起動前,肉眼檢查高壓燃油管。應每天
都進行該項檢查。
如果您檢查正在運行的發動機,請始終使用正確
的檢查步驟以避免液體穿透危險。請參考操作和
保養手冊一般危險信息。
不不要要使使用用類類似似乙乙醚醚的的噴噴霧霧劑劑輔輔助助起起動動。。否否則則可可能能導導
致致爆爆炸炸和和人人身身傷傷害害。。
•檢查高壓燃油管有無損壞、變形、刻痕、切口、折
痕或凹痕。
如果發動機起動開關或控制裝置上粘貼有一個警
告標簽,切勿起動發動機或移動控制裝置。在起
動發動機前,要向掛警告標簽的人咨詢。
•不要在發生燃油泄漏時運轉發動機。如果發生泄
漏,不要擰緊接頭來阻止泄漏。接頭必須僅擰緊
至推薦扭矩。參考拆解和裝配噴油管-拆卸和噴
油管-安裝。
如果進行維修作業必須啟動發動機,必須安裝好
所有保護罩、蓋。為了預防旋轉件引起事故,在
旋轉件周圍工作要小心。
•如果高壓燃油管已擰緊至正確扭矩,但卻發生泄
漏,則必須更換高壓燃油管。
從駕駛室或用發動機起動開關起動發動機。
•確保所有高壓燃油管上的卡子都安裝到位。不要
在卡子損壞、丟失或松動時運轉發動機。
一定要按照操作和保養手冊發動機起動(操作部
分)中所敘述的步驟起動發動機。了解正確的程
序有助于防止對發動機部件產生重大損壞。了解
正確的程序還有助于防止人身傷害。
•不要將任何物品系在高壓燃油管上。
•必須更換松開的高壓燃油管。此外,必須更換拆
下的高壓燃油管。參考拆解和裝配手冊噴油管-
安裝。
為了確保缸套水加熱器(如有配備)和/或潤滑
油加熱器(如有配備)工作正常,要檢查水溫
表。在加熱器工作期間,還要檢查油溫表。
i03018734
起起動動發發動動機機前前
發動機排氣含有對人體有害的燃燒產物。一定要
在通風良好的地方起動和運行發動機。如果在一
個密閉的空間起動發動機,要將發動機廢氣排到
室外去。
首次起動新的、保養過的或修理過的發動機前,
預先做好停機準備,以便制止超速。這可以用關
斷發動機燃油供應和/或點火來完成。
注:發動機配備有冷起動裝置。如果發動機將在嚴寒
下運轉,那么可能需要嚴寒輔助起動裝置。通常,發
動機將配備有適合于作業地區的輔助起動裝置。
This document has been printed from SPI2. NOT FOR RESALE
![]()
![]()
![]()
SCBU8605
15
安全部分
發動機停機
這些發動機在每個氣缸內配有預熱塞輔助起動裝
置,用于加熱進氣,以便于起動。有些Perkins
發動機可能具有ECM控制的冷起動系統,可允許
控制流量的乙醚進入發動機。引入乙醚前,ECM
將會斷開電熱塞。此系統是在出廠時安裝。
接地方法
i03616502
發發動動機機停停機機
遵循操作和保養手冊發動機停機(操作部分)進
行發動機停機操作,以便避免發動機過熱和發動
機部件的加速磨損。
只有在緊急情況下決才能使用緊急停機按鈕(如
有配備)。發動機正常停機時不要使用緊急停機
按鈕。發動機緊急停機后,在引起緊急停機的
問題解決之前,切勿起動發動機。
如果新發動機或經大修后的發動機初次起動時發
生超速情況,使發動機停機。
要停止電子控制的發動機,請切斷發動機電源
和/或不給發動機供氣。
圖15
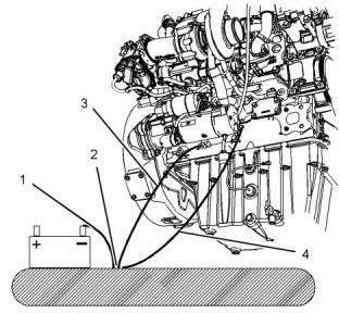
g02407417
典型示例
(1)蓄電池接地
(2)主接地位置
(3)起動馬達接地
(4)缸體接地
i06146279
電電氣氣系系統統
充電器正在工作時,切勿從蓄電池上斷開任何充
電器電路或蓄電池電路電纜。否則,由某些蓄電
池產生的易燃氣體可能被火花點燃。
為便于防止因點燃某些蓄電池產生的可燃氣體而
生成的火花,負極 “-”電纜應該最后從外接電源
連接到主接地位置。
每天檢查電線有無松動或擦破。在發動機起動之
前,擰緊所有松動的電氣連接。發動機起動之
前,要修理好所有擦破的電線。請參閱操作和保
養手冊以了解具體的起動說明。
圖16
g02407418
典型示例
(5)蓄電池接地
(6)缸體接地
為獲得發動機的最佳性能和可靠性,必要將發動
機電氣系統正確接地。接地不當會造成電路失控
和不可靠。
This document has been printed from SPI2. NOT FOR RESALE
![]()

![]()
![]()

![]()
![]()
16
SCBU8605
安全部分
發動機電子裝置
失控的電路會對曲軸的軸承軸頸表面和鋁質部件
造成損壞。
•發動機冷卻液溫度
•發動機機油壓力
•發動機轉速
未安裝發動機至機架接地帶的發動機可能因電氣
放電而損壞。
•進氣歧管空氣溫度
•發動機進氣節氣門故障
•廢氣旁通閥調節器
•傳感器電源電壓
•歧管燃油壓力(導軌)
•NOx還原系統
為確保發動機和發動機電氣系統工作正常,必須
使用與蓄電池直接相連的發動機到機架的接地
帶。這種直接相連可通過將發動機接地線直接連
接到機架實現。
接地連接應當緊湊、無腐蝕。發動機交流發電機
必須通過一根足以承受其滿載充電電流的導線接
地到蓄電池的負極 “-”端子。
發動機的電源連接和接地連接都應從蓄電池的隔
離器引出。
•發動機后處理系統
i06146231
發動機監控程序包可能會因發動機型號和應用差
異而變化。但是,對所有發動機來說,監控系統
和發動機監控控制將是相似的。
發發動動機機電電子子裝裝置置
注:許多可用于Perkins發動機的發動機控制系統和
顯示模塊將與發動機監控系統協調工作。這兩種控制
系統將一起提供為特定發動機應用所需的發動機監控
功能。有關發動機監控系統的更多信息,請參考故障
診斷和排除。
擅擅自自改改動動電電子子系系統統或或原原始始設設備備制制造造商商(OEM)的的接接線線
安安裝裝是是危危險險的的,,可可能能導導致致人人身身傷傷亡亡和和/或或發發動動機機損損
害害。。
有電擊危險險。。電子單體式噴油器使用DCDC電壓壓。。
ECECMM將將此此電電壓壓發發送送給給電電子子單單體體式式噴噴油油器器。。發發動動機機運運
轉轉時時,,切切勿勿接接觸觸電電子子單單體體式式噴噴油油器器的的線線束束接接頭頭。。不
遵遵守守此此指指示示,,可可能能會會導導致致人人身身傷傷亡亡。。
本發動機具有全面的、可編程的發動機監控系
統。電子控制模塊(ECM)具有監測發動機工作
狀況的能力。如果任何發動機參數超出容許范
圍,ECM將立即采取行動。
發動機監測控制有以下動作:
•警告
•減額
•停機
下面列出監測的發動機運轉情況,它們能夠限制
發動機轉速和/或發動機功率。
This document has been printed from SPI2. NOT FOR RESALE
![]()
![]()
![]()
![]()
![]()
SCBU8605
17
產品信息資料部分
機型視圖
產品信息資料部分
機型視圖說明
i06146286
機機型型視視圖圖
以下型號視圖顯示發動機和后處理系統的典型特
征。由于具體應用不同,您的發動機或后處理可
能看起來與圖中所示不同。
1204E-E44TTA
圖17
g02409511
(1)前吊耳
(6)電子控制模塊(ECM)
(11)機油采樣閥
(12)加油口
(13)高壓燃油泵
(2)曲軸箱呼吸器
(3)NOx還原系統(NRS)
(4)燃油粗濾器
(5)燃油細濾器
(7)燃油注油泵
(8)機油表(油尺)
(9)燃油濾網
(10)機油濾清器
This document has been printed from SPI2. NOT FOR RESALE

![]()
![]()
18
SCBU8605
機型視圖說明
機型視圖
圖18
g02409512
(14)后吊耳
(18)起動馬達
(19)機油排放塞
(20)廢氣出口
(21)飛輪殼
(22)飛輪
(23)NRS冷卻器
(15)高壓渦輪增壓器
(16)低壓渦輪增壓器
(17)背壓閥
This document has been printed from SPI2. NOT FOR RESALE

![]()
![]()
SCBU8605
19
機型視圖說明
機型視圖
圖19
g02409862
(24)皮帶
(25)進氣
(26)冷卻液出口接頭
(27)自動調溫器殼體
(28)水泵
(29)冷卻液進口連接
(30)曲軸皮帶輪
(31)皮帶張緊裝置
(32)交流發電機
This document has been printed from SPI2. NOT FOR RESALE

![]()
![]()
20
SCBU8605
機型視圖說明
機型視圖
1204E-E44TA
圖20
g02407436
(1)前吊耳
(5)燃油粗濾器
(6)燃油注油泵
(7)燃油濾網
(8)電子控制模塊(ECM)
(9)機油濾清器
(10)機油采樣閥
(11)高壓燃油泵
(2)曲軸箱呼吸器
(3)NOx還原系統(NRS)
(4)燃油細濾器
This document has been printed from SPI2. NOT FOR RESALE

![]()
![]()
SCBU8605
21
機型視圖說明
機型視圖
圖21
g02407536
(12)后吊耳
(16)機油排放閥
(17)機油排放塞
(18)背壓閥
(20)飛輪
(21)廢氣出口
(22)NRS冷卻器
(13)機油表(油尺)
(14)渦輪增壓器
(15)起動馬達
(19)飛輪殼
This document has been printed from SPI2. NOT FOR RESALE

![]()
![]()
22
SCBU8605
機型視圖說明
機型視圖
圖22
g02407537
(23)加油口
(24)進氣
(25)冷卻液出口連接
(26)自動調溫器殼體
(27)水泵
(31)交流發電機
(32)皮帶
(28)冷卻液進口接頭
(29)后吊耳
(30)皮帶張緊裝置
This document has been printed from SPI2. NOT FOR RESALE

![]()
![]()
SCBU8605
23
機型視圖說明
發動機描述
發動機后處理系統
圖23
g02483616
典型示例
(1)柔性排氣管
(2)進口連接
(3)清潔排放模塊
(4)安裝吊架
(5)出口連接
i06146228
發動機技術規格
發發動動機機描描述述
發動機的前端與發動機飛輪端相對。在飛輪端處
看去,確定發動機的左側和右側。1號氣缸是最
前端的氣缸。
Perkins設計了兩種型號的1204E工業用發動
機。
•1204E-E44TA(MK)
•1204E-E44TTA(ML)
1204E-E44TA(MK)發動機配備單個渦輪增壓
器。
1204E-E44TTA(ML)發動機配備系列渦輪增壓
器。配備系列渦輪增壓器的發動機有低壓渦輪增
壓器和高壓渦輪增壓器。
Perkins1204E工業用發動機具有下列特性。
•直列四缸
•4沖程循環
•渦輪增壓式冷卻
This document has been printed from SPI2. NOT FOR RESALE

![]()
![]()
24
SCBU8605
機型視圖說明
發動機描述
•發動機監控
•發動機調速
•控制噴射壓力
•冷起動措施
•空燃比自動控制
•扭矩曲線繪制
•噴油正時控制
•系統診斷
•后處理低溫再生
有關電控發動機特性的更多信息,請參閱操作和
保養手冊特性和控制裝置主題(操作部分)。
發動機診斷
發動機有內置診斷裝置,以確保發動機系統正常
工作。由 “停機或警告”燈向操作人員發出狀態
警示。在某些情況下,發動機的馬力和車速會受
到限制。可以利用電子維修工具來顯示診斷代
碼。
圖24
g01187485
(A)排氣閥
(B)進氣閥
表 1
1204E-E44TA 和 1204E-E44TTA 發動機技術規格
有3種類型的診斷編碼:激活,記錄和事件
轉速工作范圍(rpm)
800 至 2200(1)
直列4缸
大多數診斷代碼被記錄和存儲在ECM中。詳細內
容,請參閱操作和保養手冊發動機診斷主題(操
作部分)。
油缸數量
缸徑
105 mm (4.13 in)
127 mm (4.99 in)
沖程
功率
ECM具有控制噴油器輸出以便保持理想發動機轉
速的電子調速器。
MK
60 至 110 kW
(80.46 至 147.51 hp)
發動機冷卻與潤滑
冷卻系統和潤滑系統包括下述部件:
ml
105 至 129.5 kW
(140.805 至 173.65 hp)
•齒輪驅動離心水泵
進氣方式
MK 單個渦輪增壓式冷卻
ML 系列渦輪增壓式冷卻
•調節發動機冷卻液溫度的水溫調節器
•齒輪驅動轉子型機油泵
•油冷卻器
壓縮比
排量
16.5:1
4.4 L (268.504 cu in)
點火順序
1-3-4-2
發動機潤滑油由轉子型機油泵供應。發動機潤滑
油經過冷卻并過濾。如果機油濾清器濾芯堵塞,
旁通閥可為發動機提供流量不受限制的潤滑油。
旋向(飛輪端)
逆時針
(1)
工作轉速取決于發動機額定值、應用和油門配置。
發動機的效率、排放控制效率和發動機性能的最
大利用取決于遵守正確的操作和保養建議。發動
機的性能和效率也依賴于使用建議的燃油、潤滑
油和冷卻液的情況。關于保養事項的更多信息,
請查閱操作和保養手冊保養周期表。
電控發動機特性
對發動機運行狀態進行監控。電子控制模塊
(ECM)控制發動機對這些狀況和操作員要求作
出反應。這些狀況和操作員要求決定了ECM對噴
油的精確控制。電子發動機控制系統具有以下功
能:
后處理系統
后處理系統由Perkins批準使用。Perkins發
動機必須只使用批準的Perkins后處理系統,
以便符合排放標準。
This document has been printed from SPI2. NOT FOR RESALE

![]()

![]()
![]()
SCBU8605
25
機型視圖說明
發動機描述
清潔排放模塊(CEM)
CEM由單個裝置的兩個主部件,柴油氧化催化器
DOC和柴油微粒濾清器DPF組成。CEM的功能是
確保發動機排氣符合工作所在國家的要求的排放
法規。
發動機排氣由柔性管連接至CEM。排氣經過
DOC,以便去除污染物、一氧化碳和碳氫化合
物。然后,排氣進入DPF將所有顆粒物煙塵和灰
分收集起來。
CEM利用被動再生過程來確保發動機正常操作可
去除煙塵。去除的煙塵等于捕獲的煙塵。灰分
保留在DPF并在發動機大修時必須去除。
發動機使用壽命
發揮發動機的效率和最大程度利用發動機的性能
取決于對正確的操作和保養建議的遵守程度。此
外,也應使用建議的燃油、冷卻液和潤滑劑。將
操作和保養手冊用作發動機所需進行的保養的指
南。
發動機的預期使用壽命通常可由需求的平均功率
預測出來。需求的平均功率取決于一段時間內的
發動機燃油消耗量。減少全油門運轉小時數和/
或在減低了的油門設置下運轉可導致較低的平均
功率需求。減少運轉小時數將會延長發動機需要
大修之前的運轉時間。
售后產品和 Perkins 發動機
Perkins對非Perkins油液和濾清器的質量或
性能不提供任何保證。
在Perkins產品上使用其他制造商生產的輔助
設備、附件或消耗品(濾清器、添加劑、催化
劑)時,不會僅因這種使用而影響Perkins保
修。
但是,安裝和使用其他制造商的設備、附件或
消耗品而導致的故障不屬于Perkins產品缺
陷。因此,這些缺陷不在Perkins保修范圍
之內。
This document has been printed from SPI2. NOT FOR RESALE
![]()
26
SCBU8605
產品識別信息資料
標牌和貼膜的位置
產品識別信息資料
i06146287
標標牌牌和和貼貼膜膜的的位位置置
(發動機后處理系統)
圖25
g02109488
典型示例
模塊配置排氣盤安裝在安裝底盤 (1) 上。配置盤
安裝底盤的位置可根據應用變更。
i06146263
標標牌牌和和貼貼膜膜的的位位置置
(發動機)
圖26
g02109493
模塊配置排氣盤
記錄盤上的信息。該信息識別發動機后處理系
統。Perkins經銷商將需要該信息。該信息對
于排放投訴很重要。
This document has been printed from SPI2. NOT FOR RESALE

![]()
![]()

![]()
![]()
SCBU8605
27
產品識別信息資料
參考號
圖28
g02101733
序列號銘牌
i06146272
參參考考號號
圖27
g02077373
訂購零件時,可能需要有關以下項目的信息資
料。找出您的發動機信息。在相應位置記錄這
些信息。復制一份記錄表。保存這些信息以供
將來參考。
Perkins發動機通過發動機序列號識別。
發動機編號的一個示例為ML*****U000001U。
供參考用的檔案記錄
發動機型號
*****
發動機列表號
ML
發動機類型
英國制造
發動機序列號
U
發動機低怠速轉速
發動機滿負荷轉速
燃油粗濾器
000001
U
發動機序列號
制造年份
Perkins代理商或Perkins分銷商需要了解所有
上述數字才能確定發動機所包含的部件。此信息
可以準確識別替換零件的零件號。
水分離器濾芯
燃油細濾器濾芯
潤滑油濾清器濾芯
輔助機油濾清器濾芯
潤滑系統總容量
冷卻系統總容量
空氣濾清器濾芯
傳動帶
有關電控發動機燃油設置信息的數碼儲存在閃存
文件中。使用電子維修工具可讀取這些數碼。
序列號標牌(1)
發動機序列號銘牌位于缸體左側靠近發動機前安
裝架后部的位置。
發動機后處理系統
零件號
序列號
This document has been printed from SPI2. NOT FOR RESALE
![]()
![]()
![]()
![]()
![]()
![]()
![]()
![]()
![]()
![]()
![]()
![]()
![]()
![]()
![]()
![]()
![]()
![]()
![]()
![]()
![]()

![]()
![]()

![]()
![]()
28
SCBU8605
產品識別信息資料
排放認證貼膜
i06146233
排排放放認認證證貼貼膜膜
排放標簽粘貼在前齒輪室蓋上。
注:第二個排放標簽將用在發動機上。如有必要,第
二個排放標簽將由初始設備制造商粘貼在應用上。
圖29
g02443596
典型示例
This document has been printed from SPI2. NOT FOR RESALE
![]()

![]()
![]()
SCBU8605
29
操作部分
設備起吊
操作部分
吊耳是為特定的發動機配置總成設計和安裝的。
更換吊耳和/或發動機會使吊耳和吊具不能使
用。如果對吊耳和/或發動機作過改動,則應確
保提供正確的起吊裝置。請咨詢您的Perkins代
理商或您的Perkins分銷商以獲得有關正確發動
機吊裝夾具的資料。
起吊和貯存
i06146280
設設備備起起吊吊
(發動機)
圖30
g01097527
注意
千萬不要折彎吊環螺栓和支架。 吊環螺栓和支架只能
承受張力負荷。 要記住當支承構件和物體之間的角度
小于90°時,吊環螺栓的承載能力變小。
當必須在某一角度搬移部件時,只能使用具有適當額
定載荷的連桿支架。
使用起重機搬移重的部件。使用一個可調的吊粱
起吊發動機。所有的支承構件(鏈條和鋼絲繩)
應互相平行。鏈條和鋼絲繩與被吊物的頂面盡可
能保持垂直。
有些搬移工作要求用吊裝工具吊裝,以確保正確
的平衡和安全。
只在拆卸發動機時,要使用發動機上的吊耳。
This document has been printed from SPI2. NOT FOR RESALE
![]()
![]()
![]()

![]()
![]()
30
SCBU8605
起吊和貯存
設備起吊
工業用露天動力裝置
圖31
g02488437
典型示例
(1)前吊耳的位置
(2)后吊耳的位置
i06146249
設備起吊
(清潔排放模塊)
This document has been printed from SPI2. NOT FOR RESALE

![]()
![]()
SCBU8605
31
起吊和貯存
設備貯存
存放期限
遵循所有建議,發動機可存放長達6個月。
存放程序
對發動機上完成的程序保留適當的記錄。
注:存放發動機時,燃油系統中不能有生物柴油。
1.1.確保發動機潔凈干燥。
a.如果發動機使用生物柴油運行,必須排放
系統并安裝新濾清器。燃油箱需要沖洗。
b.用超低硫燃油加注燃油系統。如需了解可
接受燃油的詳細信息,請參閱本操作和保
養手冊油液建議。運行發動機15分鐘以
從系統中清除所有生物柴油。
2.2.排出粗濾器水分離器中的所有水分。確保燃
油箱加滿。
3.3.存放發動機時不需要排放發動機機油。如果
使用正確規格的發動機機油,發動機可以存放
長達6個月。如需了解發動機機油的正確規
格,請參閱本操作和保養手冊油液建議。
圖32
g02385036
確保穿戴合適的工作服,請參考本操作和保養手
冊一般危險信息。
負載時,清潔排放模塊(CEM)的重量約為50kg
(110lb)。需要使用兩個合適的雙圈吊索以便提
升CEM。還需要使用一個合適的舉傾機構以便拆
下并安裝組件。
4.4.從發動機上卸下驅動皮帶。
密封冷卻系統
吊索必須接合在CEM的如圖32所示位置。
確保冷卻系統加注了PerkinsELC或符合ASTM
D6210規格的防凍液。
確保吊索僅與CEM的本體接觸。需要進行測試提
升,以便實現組件的正確平衡。
打開冷卻系統
某些應用可能需要使用機架或夾具以便提升
CEM。機架或夾具必須僅連接到CEM的吊架上。
請參閱OEM以了解更多信息。
確保所有冷卻系統排放塞都已打開。使冷卻液放
出。安裝排放塞。在系統中放入汽相抑制劑。
加入汽相抑制劑后,必須密封冷卻系統。如果冷
卻系統與大氣連通,將會導致汽相抑制劑失去作
用。
i06146291
設設備備貯貯存存
(發動機和后處理)
有關保養步驟,請參閱本操作和保養手冊。
后處理
無需特殊步驟。后處理的排氣出口應蓋住。存
儲前,必須用蓋封閉發動機和后處理。
Perkins對發動機使用一段時間后存放期間發生
的損壞不承擔任何責任。
每月檢查
您的Perkins代理商或Perkins分銷商可協助您
完成發動機的長期存放準備工作。
必須旋轉曲軸以改變氣門機構的彈簧負荷。將曲
軸旋轉180度以上。目視檢查發動機和后處理有
無損壞或腐蝕。
存放條件
發動機必須存放在防水建筑內。建筑內必須保持
恒溫。加注PerkinsELC的發動機可在 − 36°C
(−32.8°F)的環境溫度下實現冷卻劑保護。發
動機不能用于溫度和濕度變化極大的環境。
確保存儲前完全蓋住發動機和后處理。在發動機
記錄中記下程序。
This document has been printed from SPI2. NOT FOR RESALE
![]()

![]()
![]()
32
SCBU8605
儀表和指示燈
儀表和指示燈
儀表和指示燈
冷卻系統上必須安裝有一個100kPa(14.5psi)
散熱器蓋。冷卻系統的最高溫度為108°C
(226.4°F)。在水溫調節器的出口測量出該溫
度。發動機傳感器和發動機ECM調節發動機冷卻
液溫度。該程序無法變更。如果發動機冷卻液
超出了最高冷卻液溫度,可能出現發動機節流。
i06146284
儀儀表表和和指指示示燈燈
如果發動機超出正常范圍運轉,則降低發動機負
載。如果冷卻液溫度高為頻出事件,則進行下列
程序:
您的發動機上的儀表可能與下述儀表不同或不具
備所有下述儀表。更多有關儀表組的資料,請參
閱OEM資料。
1.1.降低負載和發動機轉速。
儀表指示發動機性能。確保儀表處于良好的工作
狀態。觀察儀表一段時間之后,您就能確定正常
的運行范圍。
2.2.決定是否必須立即關閉發動機,或者是否可以
通過減少負載使發動機冷卻。
儀表讀數發生顯著變化,可能意味著儀表或發動
機存在故障。即使儀表讀數在技術規格范圍內,
其讀數變化也可能表明存在問題。確定和糾正導
致讀數顯著變化的任何原因。請咨詢Perkins
經銷商尋求幫助。
3.3.檢查冷卻系統有無泄漏。如有必要,請咨詢
Perkins經銷商尋求幫助。
轉速計 – 此表指示發動機轉速。 在無負載
時,把油門控制桿移動到全油門位置,發動
機在高怠速運轉。 在最大額定負載下,油
門控制桿在全油門位置,發動機在滿負載轉速下運
轉。
有些發動機應用配備有指示燈。指示燈可以輔助
診斷。有兩種指示燈。一種指示燈的燈玻璃為
橙色,另一種指示燈的燈玻璃為紅色。
這些指示燈的使用方式有兩種:
注意
應盡可能避免工作轉速超過高怠速轉速。 超速可能對
發動機造成嚴重損害。
•指示燈可用于確定發動機的當前工作狀態。指示
燈也可指示發動機故障。此系統通過點火開關自
動操作。
電流表 – 此儀表指示蓄電池充電電路中的充
電或放電量。 儀表指針應運作在 “0”
(零)位 “+” 側。
•指示燈可用于確定激活的診斷代碼。通過按下閃
存代碼按鈕可以啟用此系統。
有關更多信息,請參閱故障診斷與排除指南指示
燈。
燃油油位 – 此儀表指示燃油箱中的燃油油
位。 當 “起動/停機” 開關處于 “接“通” 位” 置
時,燃油油位表工作。
注意
工時計 – 此儀表指示發動機的總工作小時
數。
如果顯示無機油壓力,停止發動機。 如果發動機冷卻
液超出了最高冷卻液溫度,停止發動機。 這可能會造
成發動機損壞。
指示燈
發動機機油壓力 – 冷態發動機起動后,機油
壓力應在最大值。 在額定轉速下,典型的
SAE10W40 發動機機油壓力為
有四個指示燈可用。
•停機燈
350 至 450 kPa ( 50 至 65 psi)。
•警告燈
低怠速時機油壓力低是正常的。如果負載穩定但
儀表讀數變化,進行以下步驟:
•等待起動燈
•機油壓力低指示燈
1.1.卸掉負載。
有關停機指示燈和警告燈的操作順序信息,請參
閱本手冊監控系統(指示燈表)。
2.2.停止發動機。
3.3.檢查和保持機油油位。
發動機起動時,會自動控制等待起動指示燈的功
能。
水套水冷卻液溫度 – 典型溫度范圍為
82° 至 94°C (179.6° 至 201.2°F)。 該溫度
范圍將隨發動機負載和環境溫度變化而變
化。
機油壓力低指示燈的功能由發動機ECM控制。如
果檢測到機油壓力低,指示燈將會點亮。應立即
調查低壓指示燈點亮的原因。
This document has been printed from SPI2. NOT FOR RESALE
![]()
![]()
![]()
![]()
![]()
![]()
![]()
![]()
![]()
![]()
![]()
SCBU8605
33
儀表和指示燈
儀表和指示燈
當鑰匙開關接通時,所有指示燈將點亮2秒,以
檢查確認指示燈工作正常。如果任何指示燈繼續
點亮,應立即調查點亮原因。
儀表板和顯示器
可以通過眾多儀表板來監控發動機。這些儀表板
可能包含應用的指示燈和儀表。
此外,還包括小功率顯示器和性能監視器。這些
顯示器和監視器可向操作員顯示以下發動機信
息。
•系統配置參數
•客戶指定參數
•診斷代碼
•事件代碼
•冷卻液溫度
•機油溫度
•機油壓力
•進氣溫度
•進氣壓力
•大氣壓力
•燃油溫度
This document has been printed from SPI2. NOT FOR RESALE
![]()
34
SCBU8605
功能部件和控制裝置
監測系統
功能部件和控制裝置
“警告”
橙色 “警告”燈將 “點亮”,并連續啟用警告信號以
便警告操作員一個或多個發動機參數不在正常工
作范圍內。
i06146268
監監測測系系統統
“減額”
橙色警告燈將閃爍。警告后,發動機功率減額。
如果發動機超出預設的操作極限值,則發動機將
出現減額。發動機減額通過限制每次噴射的可用
燃油量實現。減少的燃油量取決于導致發動機減
額的故障的嚴重程度,通常不高于50%的極限
值。這種燃油減少會導致預定的發動機功率降
低。
如如果果已已選選擇擇停停機機模模式式,同同時時警警告告指指示示燈燈已已工工作作,,發發動動
機機可可能能在在短短到到自自警警告告指指示示燈燈開開始始工工作作后后的的20秒秒鐘鐘內內
停停機機。。取取決決于于應應用用不不同同,,應應采采取取特特殊殊的的預預防防措措施施以以
避避免免人人身身傷傷害害。。如如有有必必要要,,發發動動機機可可在在緊緊急急操操縱縱停停
機機后后重重新新起起動動。。
“停機”
注意
發動機監測系統不能保證防止突然的事故的發生。 編
程設定的延遲和減額程序是設計來最大限度減少錯誤
警報和提供操作人員使發動機停機的時間。
橙色警告燈將閃爍,并且紅色停機燈將常亮。警
告后,發動機功率減額。發動機將在設定減額轉
速下繼續運轉,直到出現發動機停機。發動機可
以在緊急情況下停機后重新起動。
監測下列參數:
發動機可能在短到20秒鐘的時間內停機。發動
機可以在緊急情況下停機后重新起動。但是,起
初停機的原因可能依然存在。發動機可能再次在
短到20秒鐘的時間內停機。
•冷卻液溫度
•進氣歧管空氣溫度
•進氣歧管空氣壓力
•機油壓力
如果有冷卻液溫度高信號,將有2秒鐘的延遲來
確認該狀況。
如果有機油壓力低信號,將有2秒鐘的延遲來確
認該狀況。
•燃油油軌壓力
•發動機轉速/正時
•燃油溫度
有關警告燈和停機燈的工作信息,請參閱本操作
和保養手冊監控系統(指示燈表)。對于每種可
編程設置模式,請參閱故障診斷與排除指南指示
燈,了解有關指示燈的更多信息。
•大氣壓力(氣壓)
•NOx還原系統的進口壓力和出口壓力
•NOx還原系統的溫度
•燃油含水開關
有關更多信息或維修幫助,請咨詢您的Perkins
經銷商或Perkins代理商。
i06146265
監監測測系系統統
(指示燈表)
•柴油微粒濾清器的煙塵量
可編程設置的, 選項和系統操作
注:工作期間琥珀色警告燈有三種狀態,常亮、閃爍
和快速閃爍。該排序對警告的重要性提供可見指示。
某些應用可能安裝了可聽警告。
如如果果選選定定了了警警告告/減減額額/停停機機模模式式,,同同時時報報警警指指示示燈燈
點點亮亮,,應應盡盡可可能能讓讓發發動動機機停停機機。。取取決決于于應應用用類類型型,,
應應采采取取專專門門的的預預防防措措施施,,以以免免發發生生人人身身傷傷害害。。
確保發動機按照正確周期進行保養。缺少保養可
能導致警告燈點亮。有關保養的正確周期,請參
閱操作和保養手冊保養周期表。
發動機可以被編程設置為以下模式:
This document has been printed from SPI2. NOT FOR RESALE
![]()
![]()
![]()
![]()
![]()
![]()
![]()
SCBU8605
35
功能部件和控制裝置
傳感器和電氣部件
表 2
警告燈
打開
停機燈
打開
燈狀態
燈檢查
指示描述
發動機狀態
鑰匙開關移至打開位置時,燈點亮 2 秒然后
鑰匙開關接通但發動機未盤車。
熄滅。
熄滅
持續發光
閃爍
熄滅
熄滅
熄滅
沒有故障
警告
發動機操作時,沒有激活的警告、診斷代碼
或事件代碼。
發動機操作,未檢測到故障。
1 級警告
發動機操作正常,但發動機電子管理系統存在
至少一個故障。
警告
2 級警告
繼續操作發動機,但警告的重要級別增大。
取決于具體故障和嚴重性,發動機可能節流。
如果繼續操作發動機,則可能對其造成損傷。
閃爍
打開
發動機停機
3 級警告
如果警告燈和停機燈都在工作,該問題表明
存在下列情況之一。
發動機停機或即將停機。 至少一個發動機監控
參數超出發動機停機極限值。 這種模式的指示
燈可能是由于檢測到嚴重的現行診斷代碼引
起。
1. 至少一個發動機保護策略停機值被超出。
2. 檢測到嚴重的現行診斷代碼。
一小段時間后,發動機可能停機。
i06146257
傳傳感感器器和和電電氣氣部部件件
(后處理)
本部分中的插圖顯示工業用發動機上傳感器和其
他電氣部件的典型位置。取決于應用,具體的發
動機后處理系統可能不同。
This document has been printed from SPI2. NOT FOR RESALE

![]()