卡特CAT 窗體底端
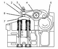
C15和C18發動機配氣機構
(1)搖臂
(5)凸輪軸
(7)氣門橋
(3)調整螺釘
表1148-7482燃油泵和氣門機構、343-4437燃油泵和氣門機構、343-4438燃油泵和氣門機構和266-3699燃油泵和氣門機構的技術規格。項目數量零件技術規格說明21276-5317螺母擰緊至扭矩為
30±7N·m(265±60lbin)41307-8322搖臂軸組件組裝前,用清潔的發動機機油進行潤滑。新搖臂軸組件的直徑為
40.000±0.010mm(1.5748±0.0004in)。搖臂中用于安裝搖臂軸組件的孔徑為
40.065±0.015mm(1.5774±0.0006in)。6--氣門間隙設定:
進氣門為
0.38±0.08mm(0.015±0.003in)。
排氣門為
0.76±0.08mm(0.030±0.003in)。對于配備可變氣門執行器的發動機,請參閱技術規格,"可變氣門執行器"以了解有關搖臂組件安裝的信息。
對于配備CAT壓縮制動器的發動機,請參閱技術規格,"CAT壓縮制動器",以了解搖臂組件的正確安裝步驟。
表1190-0009燃油泵和氣門機構、224-5136燃油泵和氣門機構和235-0382燃油泵和氣門機構的技術規格項目數量零件技術規格說明21276-5317螺母螺母的扭矩為
30±7N·m(265±60lbin)41307-8322搖臂軸組件新搖臂軸組件的直徑為
40.000±0.010mm(1.5748±0.0004in)。搖臂中用于安裝搖臂軸的孔徑為
40.065±0.015mm(1.5774±0.0006in)。6--氣門間隙設置:
進氣門為
0.38±0.08mm(0.015±0.003in)。
排氣門為
0.76±0.08mm(0.030±0.003in)。對于配備可變氣門執行器的發動機,參考技術規格,"可變氣門執行器"以了解有關搖臂組件安裝的信息。對于配備CAT壓縮制動器的發動機,參考技術規格,"CAT壓縮制動器"以了解正確的搖臂組件安裝步驟。

設置氣門間隙后防松螺母(2)的扭矩...30±7N·m(22±5lbft)
(1)軸的進氣搖臂孔...34.075±0.015mm(1.3415±0.0006in)
(3)軸的排氣搖臂孔...34.075±0.015mm(1.3415±0.0006in)

表1265-7878燃油泵和氣門機構的技術規格項目數量零件技術規格說明11276-5317螺母擰緊至扭矩為
30±7N·m(266±62lbin)。---參考測試和調整,"發動機氣門間隙-檢查/調整",以了解設置發動機氣門間隙的正確步驟。---氣門間隙尺寸:
進氣門為
0.38±0.08mm(0.015±0.003in)。
排氣門為
0.81±0.08mm(0.032±0.003in)。

表2項目數量零件技術規格說明21196-5070防松螺母擰緊至扭矩為
100±10N·m(74±7lbft)。
MAN 曼發電機維修哪家好,奧林匹亞發電機維修哪家好,湖南柴油發電機維修,湖南進口發電機維修,湖南柴油發電機維修保養,湖南燃氣發電機維修保養,湖南康明斯電噴發動機維修