卡特彼勒SR4B 發電機可變電阻 - 測試

|
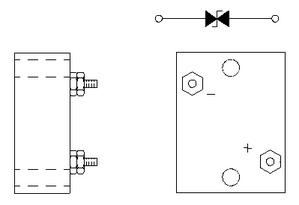
變阻器 CR7 |
可使用兆歐表或等效儀表檢查變阻器 CR7。 使用兆歐表測量端子間的夾緊電壓。
注: 有關配備整體變阻器 CR7 的整流器塊測試,請參考測試和調整, "旋轉整流器 - 測試"。
|
由于不正確的故障診斷和修理步驟可能造成人身傷亡。 下列故障診斷和修理步驟只能由熟悉該設備的合格人員進行。 |
|
警告:高電壓能造成人身傷害或死亡。 發電設備必須在運轉中進行調試和/或調節時,將出現高電壓和高電流。。 不適當的測試設備可能失效,并會出現危及用戶的高壓電擊。 應確保測試設備能在高電壓和高電流下正確運轉并進行測試。 在維護或修理發電設備時: 確保裝置在脫機狀態(脫開公用電網或其它發電設備),并鎖定或者系上”不準操作“(DO NOT OPERATE)標簽。 確保驅動發電機的發動機停機。 確保斷開所有蓄電池。 確保所有電容器已放電。 |
|
關停發動機并取下鑰匙,然后進行維護或修理作業。 否則可能因無意間操作機器造成人身傷害。 起動開關或控制裝置處如有"禁止操作"或相似警告標簽,請勿起動發動機或移動任何控制裝置。 |
|
不要將發電機連接到市電的配電系統,除非它已與系統隔離。 有可能出現電流回饋進入配電系統,會造成人身傷亡。 打開并牢靠固定主配電系統開關,或如果時永久連接,安裝一個雙投切換開關以防止回饋電流。 某些發電機已經市電特別批準可與配電系統并聯運行,不需要進行隔離。 一定要與您的市電溝通,確定適用的情況。 |
步驟
以下兩個步驟測試兩個不同變阻器正常狀態的能力。以下步驟用于 9Y-9412 變阻器 (CR7)和 4P-6009 變阻器 (CR7)。 確定應用中所用的變阻器,然后采用適當的步驟。 如果有任一儀表讀數不在給定范圍內,則更換變阻器(CR7)。
卡特彼勒SR4B 發電機9Y-9412 變阻器 (CR7)
拆下連接到變阻器(CR7)塊的所有導線。
將 500 VDC 或 1000 VDC 兆歐表測試導線放到變阻器(CR7)上。 變阻器(CR7)裝置非極性感應。
如果兆歐表無法讀直流電壓,則在 CR7 端子間接上 500 VDC 電壓表。
對兆歐表選擇 500 VDC 或 1000 VDC 設置。 對變阻器(CR7)施加電壓。
注: 對變阻器施加電壓不得超過三秒。.
兆歐表讀數應在 354 VDC 和 429 VDC 之間。
如果讀數大于 430 VDC,則變阻器(CR7)開路。
如果讀數小于 353 VDC,則變阻器(CR7)短路或降級。
|
注意 |
|
請勿過分擰緊。 扭矩超過所列扭矩可能導致部件損壞。 |
安裝導線。施加以下扭矩。
接線端連接 - 1.4 N·m (12 lb in) - 1.7 N·m (15 lb in)
變阻器安裝至吸熱設備 - 8.1 N·m (72 lb in) - 16.3 N·m (144 lb in)
注: 如果發現變阻器(CR7)故障,變阻器(CR7)很有可能是因主轉子上的瞬時電涌而故障。 變阻器故障通常不是部件故障。 變阻器(CR7)故障的根本原因包括:
并聯不正確或缺乏同步
反向 VAR 或反向功率事件
環境溫度過高(或其他應用錯誤)
瞬間負載過大
康明斯QST30噴油器,威爾信P400E1配件,發電機組2506C E15TAG3配件,帕金斯息火電磁閥,perkins 4006 噴油器,沃爾沃1630柴濾