電噴發動機系統介紹-控制系統

電控系統的組成
• 1、 ECM電子控制模塊,2、 噴油泵,3、 傳感器,4、 開關,5、 連接線纜

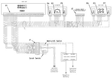
圖示為C9控制系統


電噴發動機系統介紹-燃油系統


C-9發動機系統介紹



電噴發動機系統介紹-進排氣系統

ET-電子技師

ET-電子技師的功能
• 顯示參數,如發動機轉速,溫度和壓力等
• 顯示和清除診斷故障代碼
• 顯示記錄事件代碼
• 顯示和更改ECM的設置
• 進行診斷和標定試驗
• 顯示發動機運行信息
• 打印報告和診斷結果
電噴發動機的優點,卡特彼勒發動機,卡特彼勒電噴發動機的應用,卡特彼勒電噴發動機的應用資料,卡特彼勒電噴發動機維修技術,卡特彼勒電噴發動機維修服務商,
• 更佳的排放特性
• 燃油經濟型
• 更優化的動力
• 簡便的維修保養
• 更靈活可靠
卡特彼勒電噴發動機的技術特點
• OEM接口具有很大的共性
• 方便的發動機配置設定
• 可編程發動機保護
• ECM的自診斷與故障代碼
• 高速反應的電子調速
• 針對負載特點的扭矩特性優化
• 環境因素的自動補償與調節
• 基于總線的遠程通訊
• 數字儀表與電子監測
• 通過芯片“刷新”方便實現產品升級
OEM接口的共性


發動機電子接口


方便的發動機配置參數選擇
• 系統配置參數是指那些會影響發動機排放和功率輸出的參數。缺省值由工廠設定。
• 一部分參數可以根據用戶的特定應用的要求改(例如中間轉速等)。用戶密碼可以用來保護這些用戶特定編程的參數。
• 參數鎖定可以防止接觸一些能修改的參數。可鎖定的參數為(修改鎖定的參數需要工廠密碼):
– 發動機功率限制
– 高怠速
– 發動機保護系統
– 功率標定號
– 發動機轉速上限
方便的發動機保護設置
• 發動機報警、降功率、停車可以根據用戶要求設置
• 允許改編設置點(在許可范圍內)
• 允許改編延遲時間(在許可范圍內)
• 允許對某特定的報警、降功率或停車選擇“開”或“關”
• 對于原廠鎖定的參數,可以申請工廠密碼進行修改
ECM自診斷與故障代碼
ECM對所有傳感器進行自診斷:
如果傳感器或線路短路或開路:
報警燈亮、故障燈閃(輸出故障代碼)。 ECM同時記錄激活的故障和存檔的故障。 對溫度和壓力傳感器,錯誤的數值不觸發保護系統(采用默認數值),卡特彼勒發動機,卡特彼勒電噴發動機的應用,卡特彼勒電噴發動機的應用資料,卡特彼勒電噴發動機維修技術,卡特彼勒電噴發動機維修發動機工作受影響但不停車,轉速和功率受到限制。要求馬上安排維修。 對轉速及正時傳感器,只有當主/輔傳感器都出故障時發動機才停車。 對油門位置傳感器,發動機在低怠速下運行。 對HEUI發動機的液壓觸動控制閥,當信號線對地短路時發動機將停車,其他線故障使發動機繼續運行。如果傳感器或線路臨時故障:
ECM只記錄存檔的故障。ECM自診斷與故障代碼
ECM對特殊傳感器的自診斷(3500B)
主/備轉速正時傳感器交叉接反 主轉速正時傳感器失效時,ECM將采用備用轉速正時傳感器信號繼續運行,報警并顯示故障代碼,但不停車。 燃油濾前/濾后壓力傳感器接反 機油濾前/濾后壓力傳感器接反
發動機轉速控制
如果要求兩點或三點調速:
• PTO開關及轉速控制按鈕
– PTO開/關
– PTO提速
– PTO降速
– PTO中斷
• 中間轉速開關
– 中間轉速
• 特殊配對的電阻箱輸出至(9X9591)PWM信號轉換器
如果要求OEM廠PLC調速:
• 直接燃油控制,由外部調速器提供0~200毫安電流信號。參照PRODUCT NEWS LEXW3066-00。
• OEM廠PLC或計算機輸出PWM脈寬調制信號
• 通過J1939通訊協議控制發動機ECM
數據總線通訊
CAT數據總線(CDL):
• CAT數據總線是卡特彼勒特有的網絡通訊協議,在RS485接線規范基礎上開發。
• 因為CAT數據總線的封閉性(非公開通訊協議),外部設備必須通過一種通訊協議轉換器(用戶通訊模塊“CCM”)才可以與發動機ECM通訊。
• 這種通訊協議轉換器把一種網絡協議翻譯成另外一種公共網絡協議供OEM廠使用。CCM把CDL翻譯成RS232規范的M5X通訊協議。
電子監測
• 卡特彼勒發動機監控模塊(EMS)
• OEM提供的監控系統
液晶屏可顯示:
轉速、運轉小時數、負載百分比、耗油率、進氣壓力、電池電壓、冷卻液溫度、進氣總管溫度、燃油溫度、輔助溫度、機油壓力、燃油壓力、輔助壓力

